EasyManua.ls Logo

Conti Xeos EVOLUTION 2 - Page 40

Conti Xeos EVOLUTION 2
Print Icon
To Next Page IconTo Next Page
To Next Page IconTo Next Page
To Previous Page IconTo Previous Page
To Previous Page IconTo Previous Page
Loading...
Edition 07/2008 - XEOS EVOLUTION 2 - XEOS TALL CUP
NOTES TECHNIQUES - TECHNICAL DOCUMENTS - page 40
SACOME, Document CONFIDENTIEL,
Ne peut être reproduit ni communiqué sans notre accord préalable.
SACOME, CONFIDENTIAL Document,
it is forbidden to duplicate or communicate this document without previous authorization.
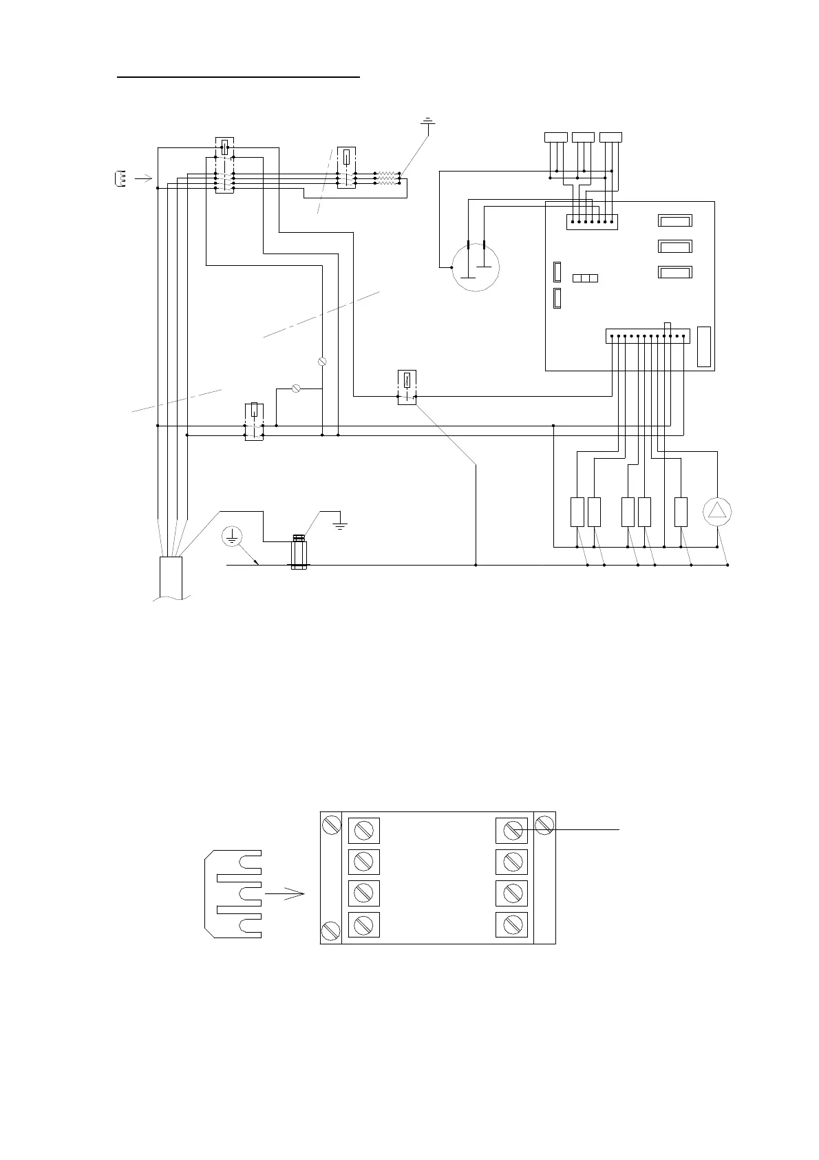
28.2. 2G & 3G Xeos versions since 10/2002













Other manuals for Conti Xeos EVOLUTION 2

Related product manuals