EasyManua.ls Logo

Conti Xeos EVOLUTION 2 - Settings of Pre-Infusion on the 3 D5 Electronic Card

Conti Xeos EVOLUTION 2
Print Icon
To Next Page IconTo Next Page
To Next Page IconTo Next Page
To Previous Page IconTo Previous Page
To Previous Page IconTo Previous Page
Loading...
Edition 07/2008 - XEOS EVOLUTION 2 - XEOS TALL CUP
NOTES TECHNIQUES - TECHNICAL DOCUMENTS - page 43
SACOME, Document CONFIDENTIEL,
Ne peut être reproduit ni communiqué sans notre accord préalable.
SACOME, CONFIDENTIAL Document,
it is forbidden to duplicate or communicate this document without previous authorization.
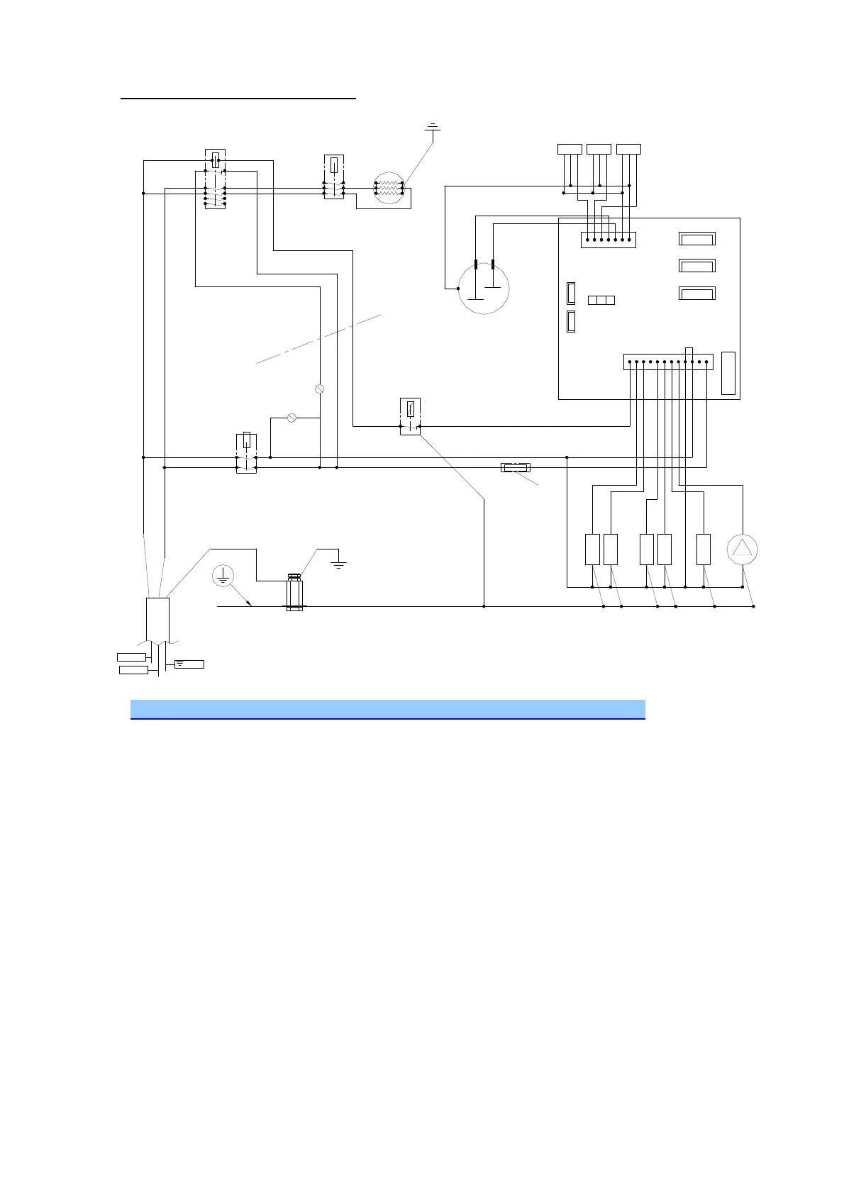
29.2. UL 2G & 3G versions since 2002/10



 






30. SETTINGS OF PRE-INFUSION ON THE 3D5 ELECTRONIC CARD
The pre-infusion is available only for the espresso keys (1&2 cups).
The user can chose to use or to suppress it.
1/ Setting with pre-infusion:
a) Turn off the machine.
b) Press the 1-cup espresso key of the first coffee group and turn on the machine.
c) When the led of the continuous key is lit, turn off the machine again.
d) Wait some seconds then turn on the machine.
2/ Setting without pre-infusion:
a) Turn off the machine.
b) Press the 2 cups espresso key of the first coffee group and turn on the machine.
c) When the led of the continuous key is lit, turn off the machine again.
d) Wait some seconds then turn on the machine.

Other manuals for Conti Xeos EVOLUTION 2

Related product manuals