EasyManua.ls Logo

Control Techniques Commander SK4403 - Page 41

Control Techniques Commander SK4403
60 pages
Print Icon
To Next Page IconTo Next Page
To Next Page IconTo Next Page
To Previous Page IconTo Previous Page
To Previous Page IconTo Previous Page
Loading...
Safety
Information
Product
Information
Mechanical
Installation
Electrical
Installation
Keypad and
Display
Parameters
Quick Start
Commissioning
Diagnostics Options Parameter List
UL Listing
Information
Commander SK Size 2 to 6 Getting Started Guide 41
Issue Number: 2 www.controltechniques.com
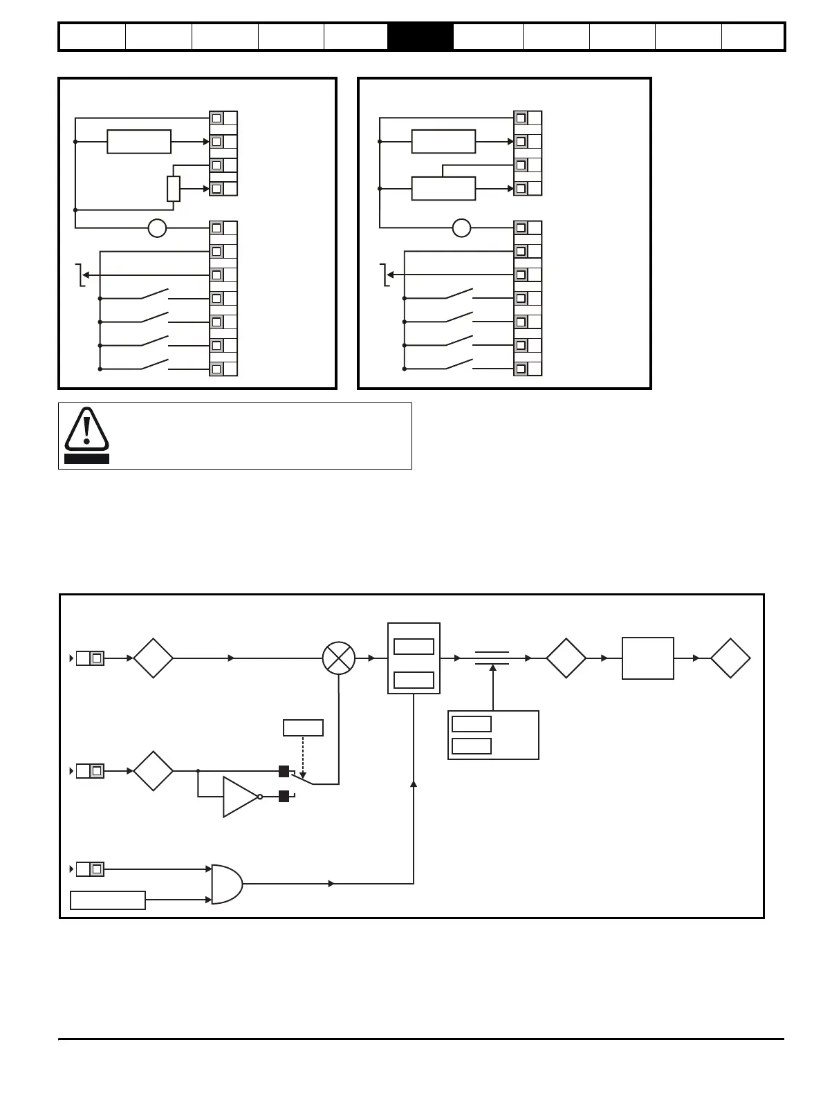
When Pr 05 is set to Pid, the following parameters are made available for adjustment:
•Pr 61: PID proportional gain
•Pr 62: PID integral gain
•Pr 63: PID feedback invert
•Pr 64: PID high limit (%)
•Pr 65: PID low limit (%)
•Pr 66: PID output (%)
Figure 6-9 PID logic diagram
Figure 6-7 Pr 05 = tor Figure 6-8 Pr 05 = Pid
When torque mode is selected and the drive is connected to
an unloaded motor, the motor speed may increase rapidly to
the maximum speed (Pr 02 +20%).
0V
Remote current speed
reference input (A1)
+10V reference output
Torque reference
input (A2)
+24V output
Drive Enable/Reset
(USA: /Stop)
Run Forward
(USA: Run)
Run Reverse
(USA: Jog)
Torque mode
se
l
ec
t
Remote speed
reference input
V
_
+
10k
(2kmin)
+24V
0V
Eur
Analogue output
(motor speed)
Digital output
(zero speed)
T1
T2
T3
T4
B1
B2
B3
B4
B5
B6
B7
0V
+10V reference outpu
t
+24V output
Drive Enable/Reset
(USA: /Stop)
Run Forward
(USA: Run)
Run Reverse
(USA: Jog)
4-20mA PID
feedback input
V
_
+
+24V
0V
Eur
Analogue output
(motor speed)
Digital output
(zero speed)
PID feedback input
PID reference input
PID enable
0-10V PID
reference input
T1
T2
T3
T4
B1
B2
B3
B4
B5
B6
B7
WARNING
95
94
%
T4
T2
x(-1)
0
1
63
Invert
61
P Gain
62
I Gain
PID reference
input
%
PID feedback
input
B7
PID enable
&
Drive healthy
64
PID high
limit
65
PID low
limit
66
%
81
Drive
reference
Hz
%to
frequency
conversion
+
_

Related product manuals