EasyManua.ls Logo

COOLIUS A10 - Flow Diagram; Flow Diagram - A10

COOLIUS A10
26 pages
Print Icon
To Next Page IconTo Next Page
To Next Page IconTo Next Page
To Previous Page IconTo Previous Page
To Previous Page IconTo Previous Page
Loading...
4
COOLIUS A10 / Y10
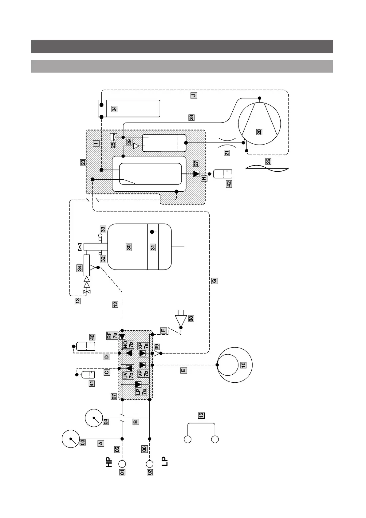
1 Flow diagram
1.1 Flow diagram - A10
FLOW DIAGRAM A10 Rev02

Other manuals for COOLIUS A10

Related product manuals