EasyManua.ls Logo

Cooper Security M800 - Zones and Wards

Cooper Security M800
16 pages
Print Icon
To Next Page IconTo Next Page
To Next Page IconTo Next Page
To Previous Page IconTo Previous Page
To Previous Page IconTo Previous Page
Loading...
6
66
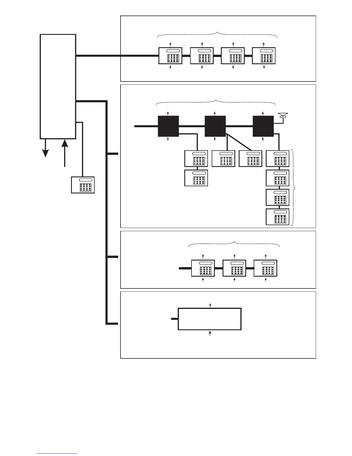
6 M750 and M800 Installation Instructions 497139 Issue 3
Network 1
Network 2
800 or 750
CONTROL
PANEL
3 Outputs
8 Zones
6 Outputs
24 ID Zones
Network2-Wiring Option 3
ID Node
Network Wiring=4Core
(6 core if keypad is used)
Only one ID Node
can be connected
(configured to address
nodes 1, 2 and 3)
ID Node
Network2-Wiring Option 2
Remote Keypads/LEC2s
Max 3
Network Wiring = 6 Core
Network 1 (Supports only remote keypads and LEC2s)
Engineer’s keypad
(cannot have zones
or outputs)
Max 4
100m max to
furthest
keypad/LEC2
1 Output
2 Zones
1 Output
2 Zones
1 Output
2 Zones
1 Output
2 Zones
NOTE:
Do not connect an
XNode/MNode to the
same network as an ID
Node or keypad
Network2-Wiring Option 1
XNodes and/or MNodes
An XNode/MNode is
able to drive 4 Remote
Keypads and a
Loudspeaker
100m max
100m max to
furthest keypad
300m max
to furthest
XNode/
MNode
Network Wiring=4Core
2 Outputs
8 Zones 8 Zones
Max 3
8 Zones
Max 4
2 Outputs 2 Outputs
XNode/
MNode
1
XNode/
MNode
2
XNode/
MNode
3
100m max
1 Output
2 Zones
1 Output
2 Zones
1 Output
2 Zones
100m max to
furthest
keypad/LEC2
Network Wiring = 6 Core
Figure 3: Overview of Network Wiring Options
Note:
Note:Note:
Note:
Using a Networker Interface Board (NIB) (with power supply) enables the maximum distance from a control panel to an ID Node or keypad to be
increased to 1km.
The supply voltage at each Network 1 or 2 device must not drop below 10.5V (recommended to be at least 12V). Refer to the Engineering Manual
for details of how to calculate and overcome voltage drops.
Direct connection of an LEC6 (6-zone) expander to Network 1 or 2 is supported for existing systems that are being upgraded. Ensure that the
number of zones does not exceed the number that would be provided by keypads alone.

Other manuals for Cooper Security M800

Related product manuals