EasyManua.ls Logo

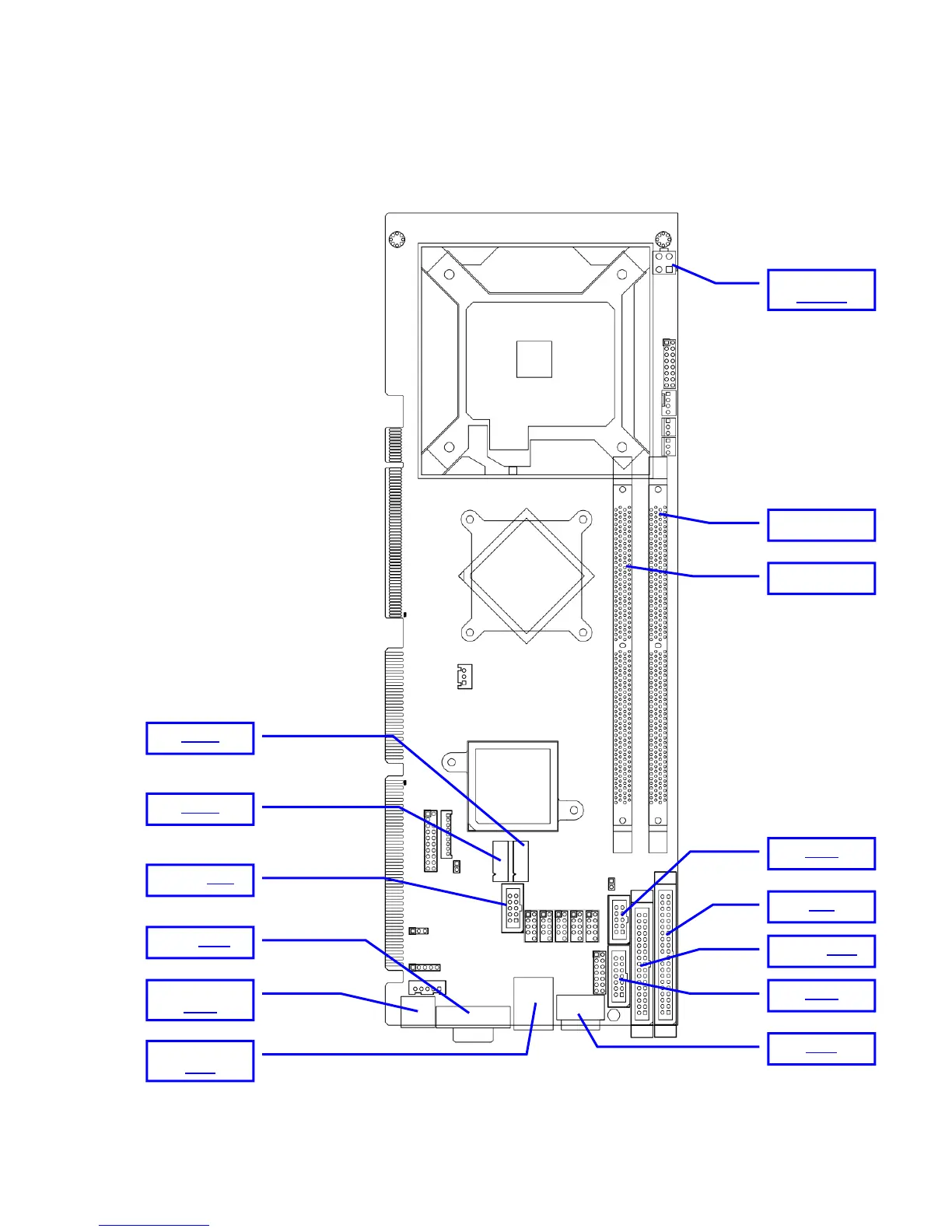
Corvalent Q35SBC - Connector Locations

Default Icon
61 pages
Print Icon
To Next Page IconTo Next Page
To Next Page IconTo Next Page
To Previous Page IconTo Previous Page
To Previous Page IconTo Previous Page
Loading...
Connector Locations
KB/Mouse
(KBM1)
Ethernet
(LAN1
)
VGA (VGA1)
USB1
COM2
DIMM2
DIMM1
Floppy (FDD1)
IDE1
COM1
A
TX12V
(ATX12V1)
SATA2
SATA1
Dig. IO (DIO1
)
12

Table of Contents

Related product manuals