EasyManua.ls Logo

COZY DVCF402D - Instalación de Su Calefactor de Pared; Ubicación del Calefactor de Paredy del Termostato

COZY DVCF402D
134 pages
Print Icon
To Next Page IconTo Next Page
To Next Page IconTo Next Page
To Previous Page IconTo Previous Page
To Previous Page IconTo Previous Page
Loading...
CALEFACTOR DE PARED CON CONTRAFLUJO Y CON VENTILACION DIERCTA 7
INSTALACIÓN DE SU CALEFACTOR DE PARED
su calefactor está diseñado para funcionar con el tipo de
gas disponible (ya sea natural o propano).
Son necesarios los siguientes pasos para una correcta
instalación y funcionamiento seguro del calefactor. Si
usted tiene alguna duda en cuanto a los requisitos,
siempre consulte a su inspector local de Calefacción o
Fontanería, Departamento de Construcción y Sociedad de
Gas en materia de reglamentos, códigos o las ordenanzas
que se aplican a la instalación de un calefactor de
pared ventilado. Obtenga ayuda profesional cuando sea
necesario.
El CHEQUEO Y AJUSTES en la página 23 son vitales
para el funcionamiento correcto y seguro del calefactor.
Asegúrese que se llevan a cabo.
IMPORTANTE
Para una operación satisfactoria y sin problemas,
asegúrese de:
1. Ubique bien el calefactor dentro del espacio a calentar.
2. Instale el calefactor de acuerdo con los códigos locales
o las ordenanzas e instrucciones proporcionadas. En
ausencia de códigos o las ordenanzas locales, instale el
calefactor para adaptarse a la actual edición de la
National Fuel Gas Code, NFPA 54, Código de instalación
ANSI Z223.1/Canadian, CAN / CGA B149.
3. Mantenga mínimas distancias: a suelo 0 " , a techo 4 ",
muro lateral 4 ". Para excepciones las que se muestran
en Figuras 4, 5, 6 & 7.
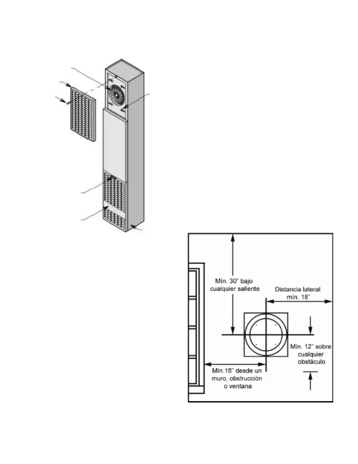
4. Proporcione aire de combustión adecuado alrededor
de la tapa de ventilación en la parte exterior, ver fig. 2
y de circulación de aire adecuado alrededor del armario
dentro de la habitación abierta.
Ubicación del Calefactor de
Pared y del Termostato
Tenga en cuenta estos puntos antes de la instalación:
bottom of the furnace.
1. Es un calefactor de pared de ventilación directa. Debe
ser instalado en un MURO EXTERIOR para una
adecuada ventilación de los gases de combustión,
Figura 2.
a. Idealmente, la pared debe estar en el lado menos
ventoso de la vivienda, ráfagas fuertes pueden extinguir
el piloto.
b. El calefactor puede ser instalado contra una pared
o empotrado hasta máx.10”. El espesor de la superficie
posterior del calefactor al exterior de la pared puede
ser de 3/4 " mín. y de 9 " máx. Figura 3.
Con salida de descarga estándar, no instale más cerca
de 4 " a la intersección de la pared. Figura 4.
Los tacos se espacian en centros de 16 " o el espacio de
tacos se deberá de enmarcar. Página 9 & 10, Montaje
Empotrado.
FIGURA 1
PANEL FRONTAL
SUPERIORL
PANEL FRONTAL
INFERIOR
TIRADOR
ARMARIO
TORNILLO DE
MARIPOSA
TORNILLOS
CILINDRICOS
DEL
VENTILADOR
ASPA DEL VENTILADOR
FIGURA 2  DISTANCIA MINIMA

Table of Contents

Related product manuals