EasyManua.ls Logo

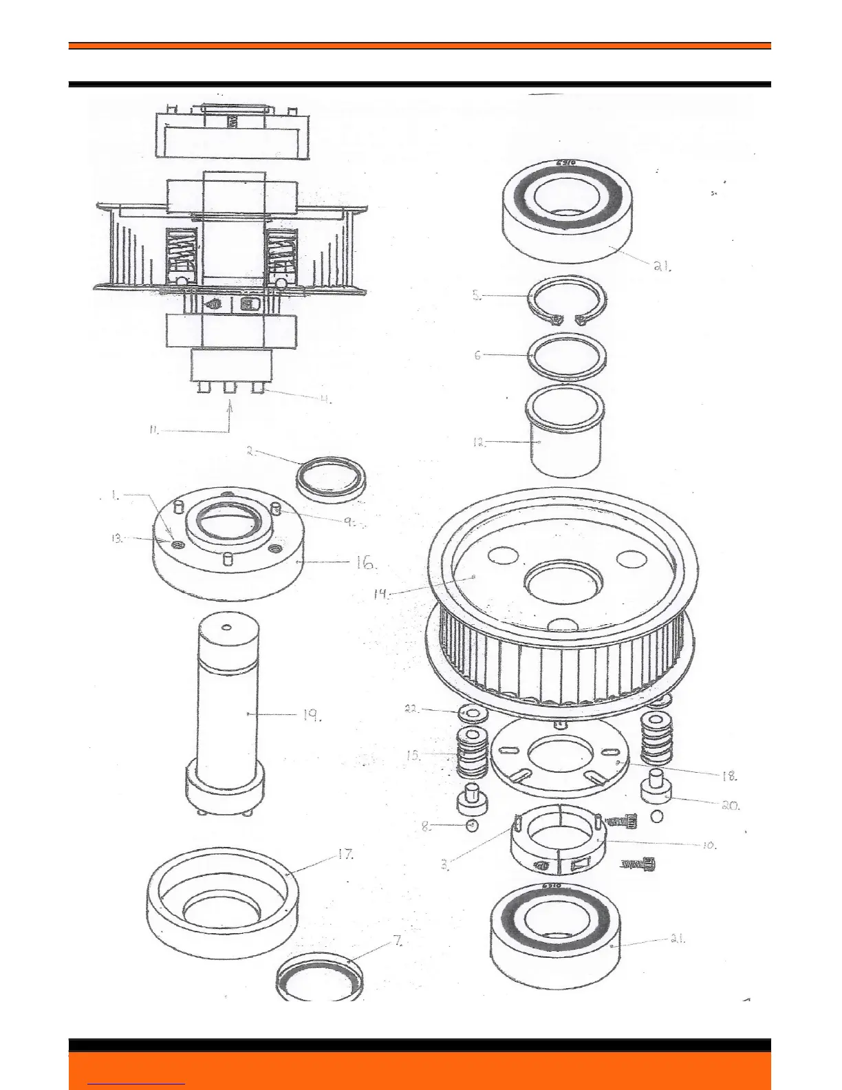
CPS G-250XTP - SLIP CLUTCH W;O PINION TWO FLANGE

CPS G-250XTP
64 pages
Print Icon
To Next Page IconTo Next Page
To Next Page IconTo Next Page
To Previous Page IconTo Previous Page
To Previous Page IconTo Previous Page
Loading...
APMF1488
Slip Clutch w/o Pinion Two Flange
SLIP CLUTCH w/o PINION TWO FLANGE
24/7 Technical Support- Toll Free 1-877-472-8200
40
Concrete Polishing Solutions- G-250XTP Operators Manual