EasyManua.ls Logo

Craftsman 917.270621 - Ground Drive

Craftsman 917.270621
60 pages
Print Icon
To Next Page IconTo Next Page
To Next Page IconTo Next Page
To Previous Page IconTo Previous Page
To Previous Page IconTo Previous Page
Loading...
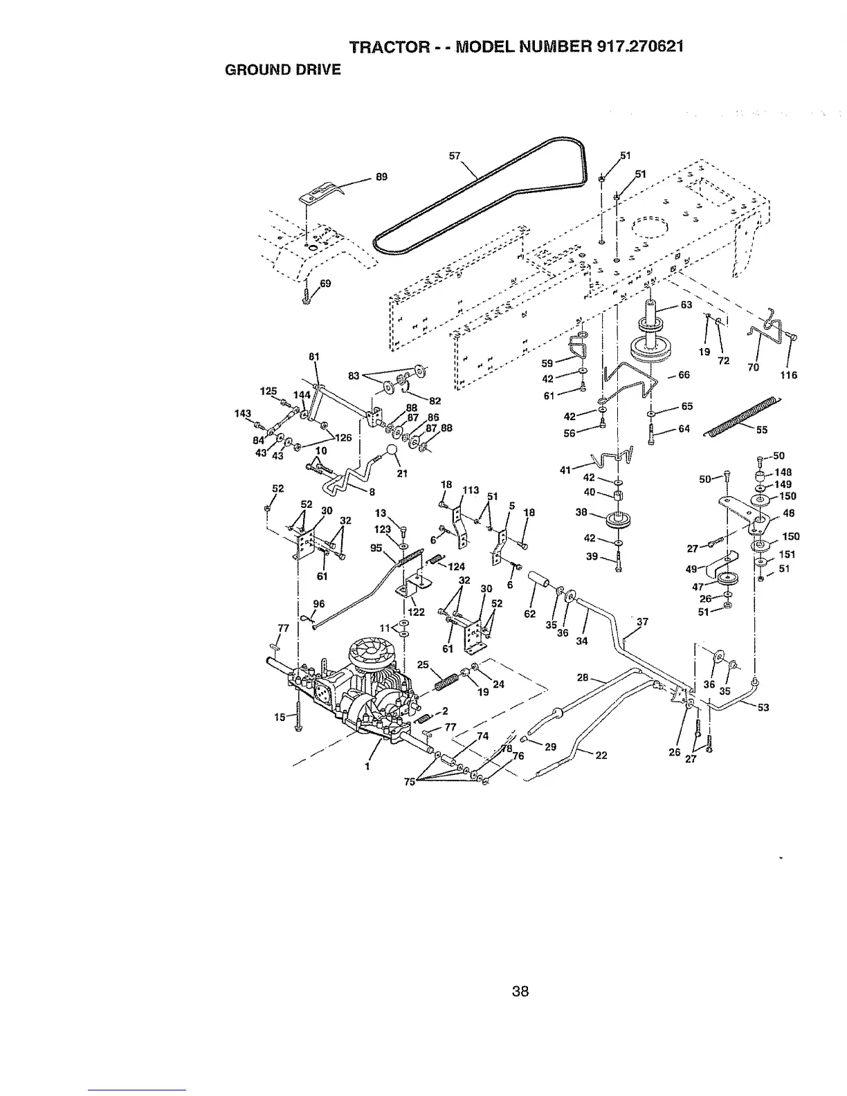
TRACTOR - - MODEL NUMBER 917.270621
GROUND DRIVE
38

Table of Contents

Related product manuals