EasyManua.ls Logo

Crown Boiler PHNTM080 - Page 68

Crown Boiler PHNTM080
146 pages
Print Icon
To Next Page IconTo Next Page
To Next Page IconTo Next Page
To Previous Page IconTo Previous Page
To Previous Page IconTo Previous Page
Loading...
66
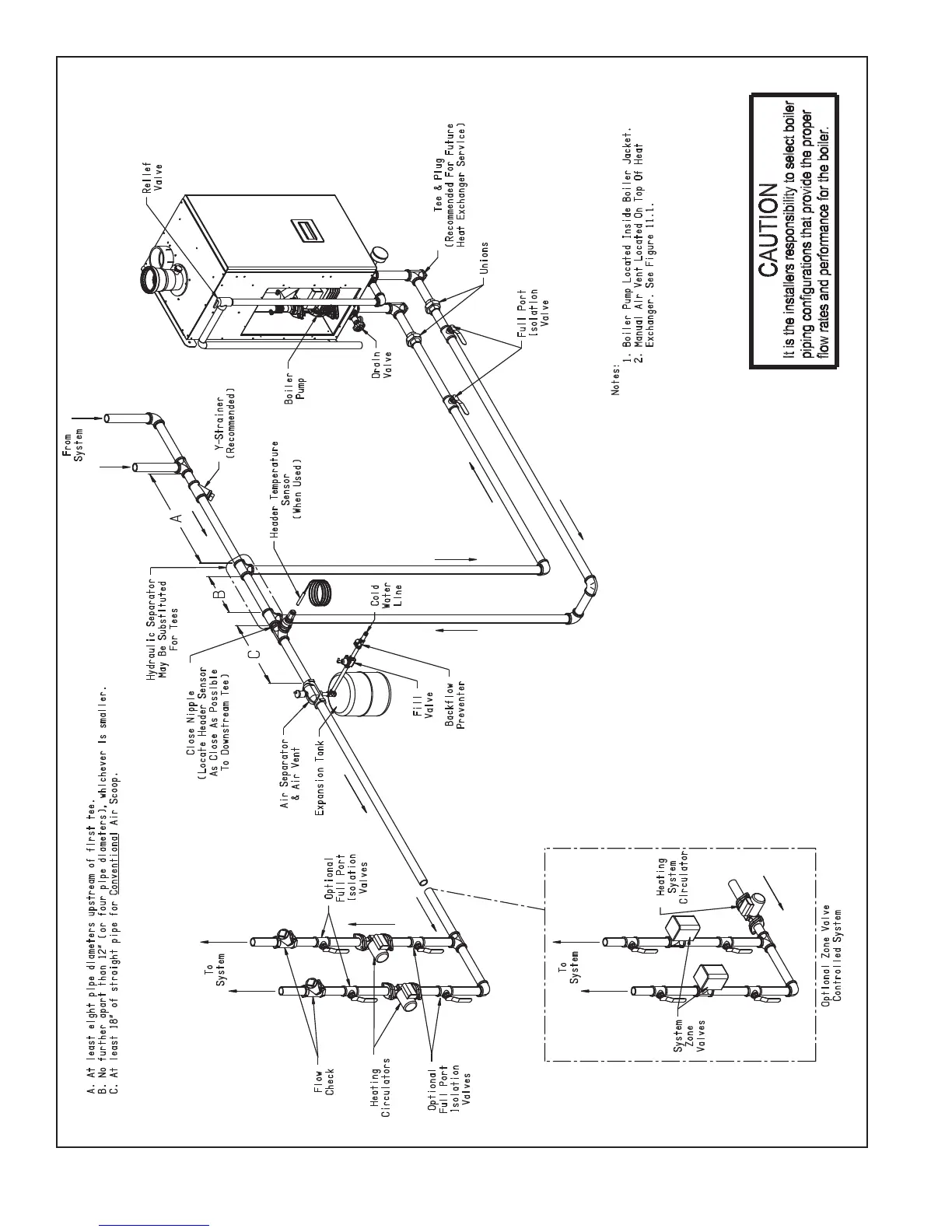
FIGURE 9.2: PIPING METHOD #1 - NEAR BOILER PIPING - HEATING ONLY

Other manuals for Crown Boiler PHNTM080

Related product manuals