EasyManua.ls Logo

Crown Boiler PHNTM080 - Piping for Special Situations

Crown Boiler PHNTM080
146 pages
Print Icon
To Next Page IconTo Next Page
To Next Page IconTo Next Page
To Previous Page IconTo Previous Page
To Previous Page IconTo Previous Page
Loading...
75
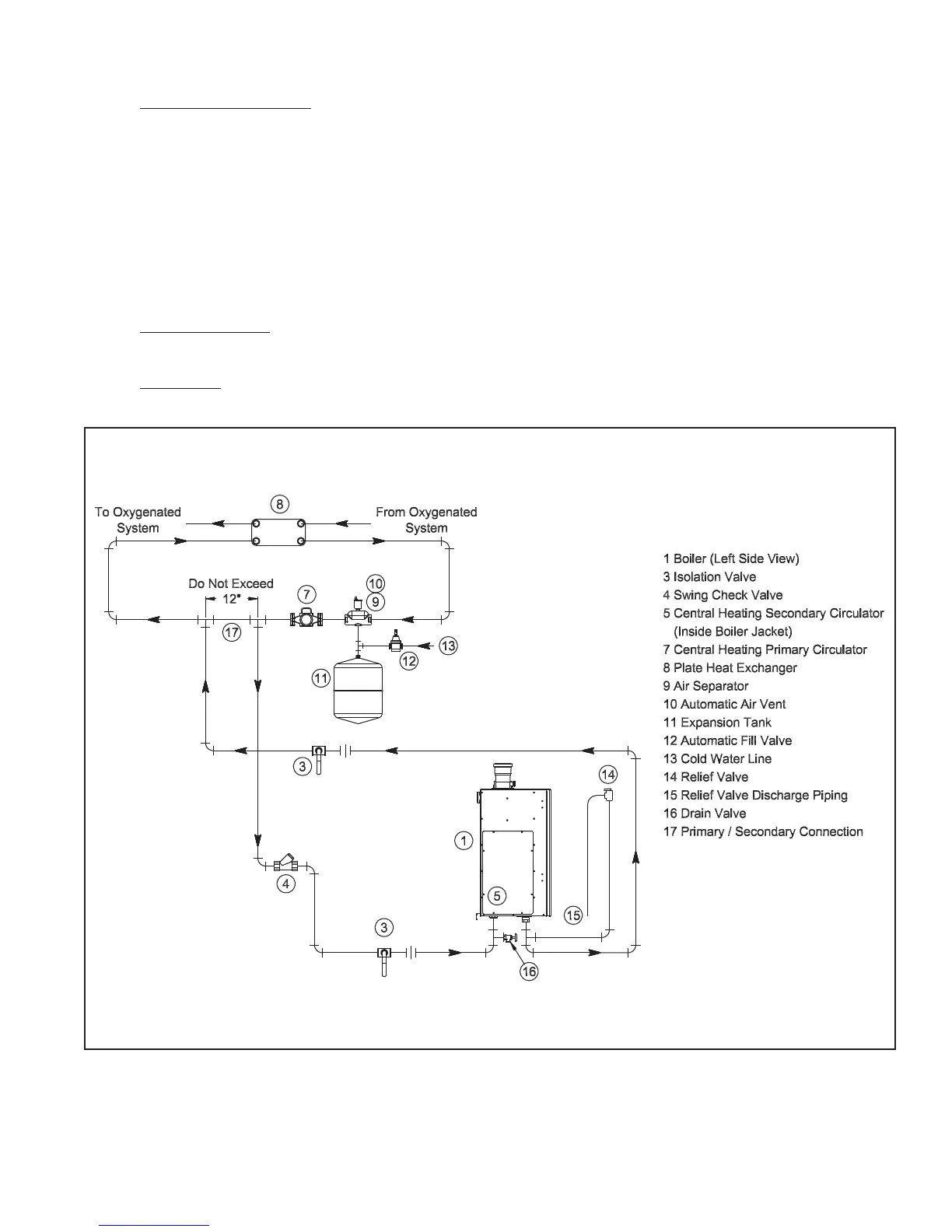
D. Piping for Special Situations
1) Systems containing oxygen - Many hydronic systems contain enough dissolved oxygen to cause severe corrosion
damage to a this boiler. Some examples include:
•Radiantsystemsthatemploytubingwithoutanoxygenbarrier.
•Systemswithroutineadditionsoffreshwater.
•Systemswhichareopentotheatmosphere.
If the boiler is to be used in such a system, it must be separated from the oxygenated water being heated with a heat
exchanger as shown in Figure 9.10. Consult the heat exchanger manufacturer for proper heat exchanger sizing as well as
owandtemperaturerequirements.Allcomponentsontheoxygenatedsideoftheheatexchanger,suchasthepumpand
expansion tank, must be designed for use in oxygenated water.
2) Piping with a Chiller - If the boiler is used in conjunction with a chiller, pipe the boiler and chiller in parallel. Use
isolation valves to prevent chilled water from entering the boiler.
3) Air Handlers-Wheretheboilerisconnectedtoairhandlersthroughwhichrefrigeratedairpasses,useowcontrol
valves in the boiler piping or other automatic means to prevent gravity circulation during the cooling cycle.
FIGURE 9.10: ISOLATION OF THE BOILER FROM OXYGENATED WATER WITH A PLATE HEAT EXCHANGER

Other manuals for Crown Boiler PHNTM080

Related product manuals