EasyManua.ls Logo

CSI SK25 - Control Valve Power Assembly

CSI SK25
28 pages
Print Icon
To Next Page IconTo Next Page
To Next Page IconTo Next Page
To Previous Page IconTo Previous Page
To Previous Page IconTo Previous Page
Loading...
16
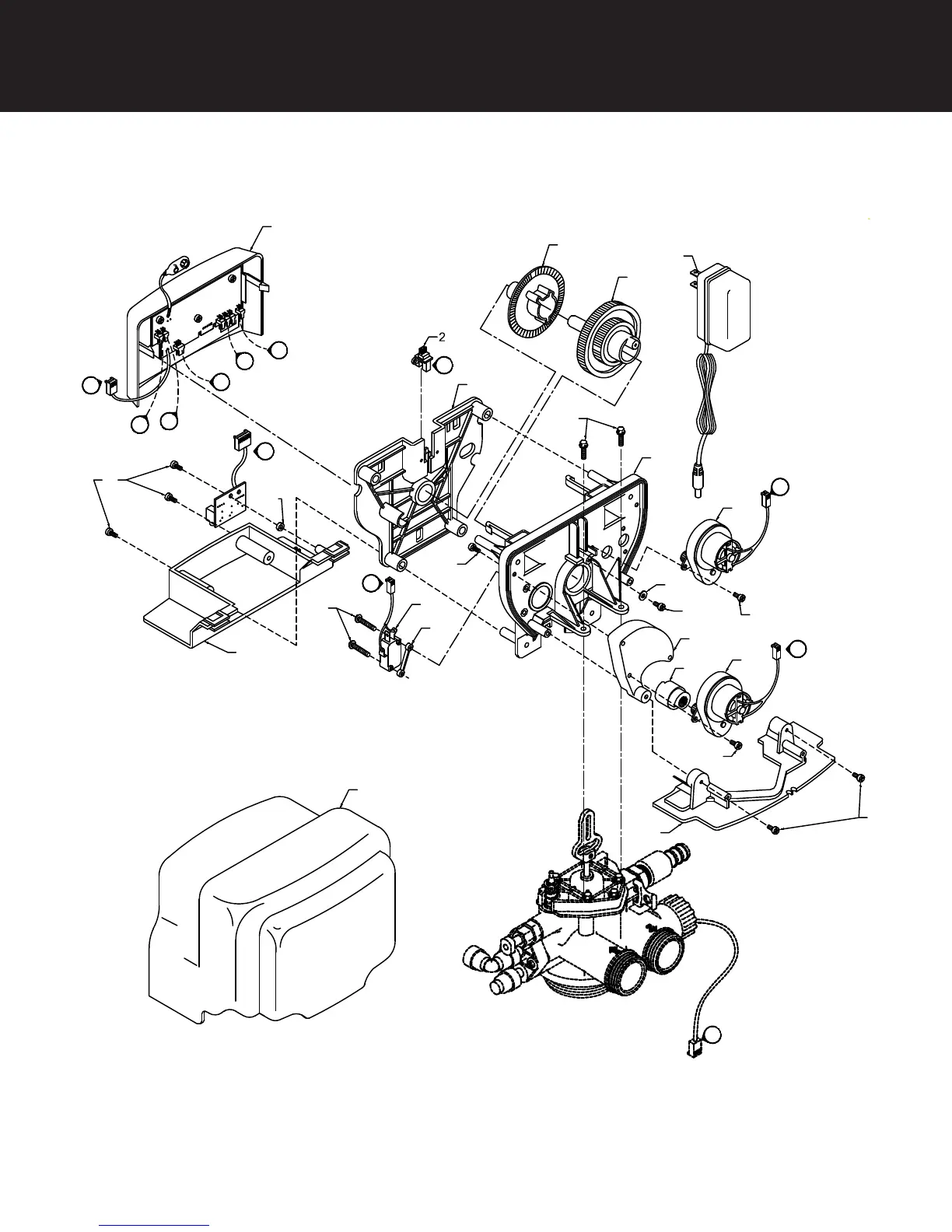
Control Valve Powerhead Assembly
3
4
5
7
8
10
9
11
13
14
15
16
16
18
18
19
17
20
23
22
21
6
LETTERS IN DIAGRAM REPRESENT WIRING CONNECTIONS
E
M
S
C
1
E
P
P
M
C
S
12
12
F
F

Related product manuals