EasyManua.ls Logo

Curtis D60GT10 - Electrical Schematics and Diagrams; Electrical Schematic Overview; Ladder Diagram

Curtis D60GT10
10 pages
To Next Page IconTo Next Page
To Next Page IconTo Next Page
To Previous Page IconTo Previous Page
To Previous Page IconTo Previous Page
Loading...
7
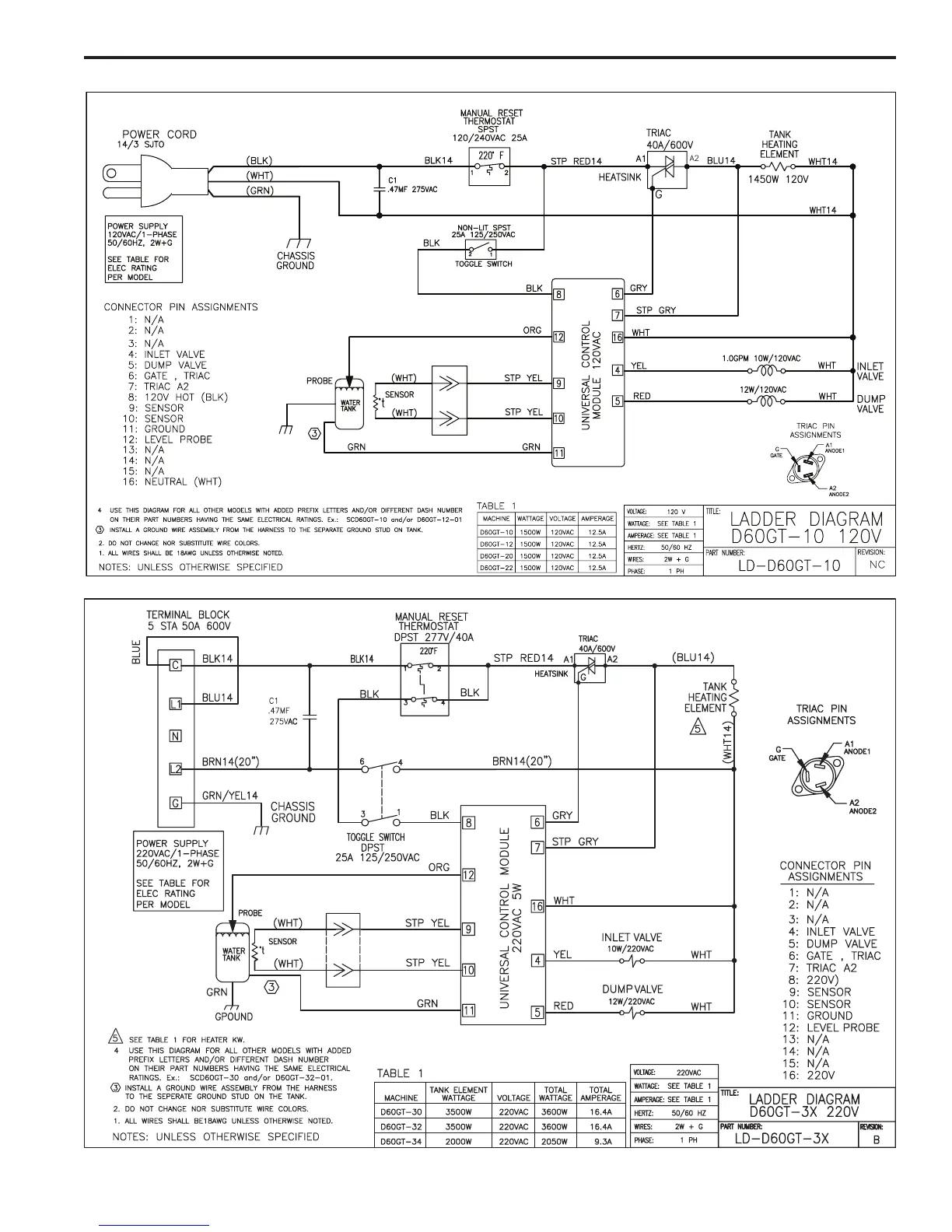
ELECTRICAL SCHEMATIC

Related product manuals