EasyManua.ls Logo

Daewoo DB58 - Page 87

Daewoo DB58
126 pages
Print Icon
To Next Page IconTo Next Page
To Next Page IconTo Next Page
To Previous Page IconTo Previous Page
To Previous Page IconTo Previous Page
Loading...
- 84 -
- DB58TI
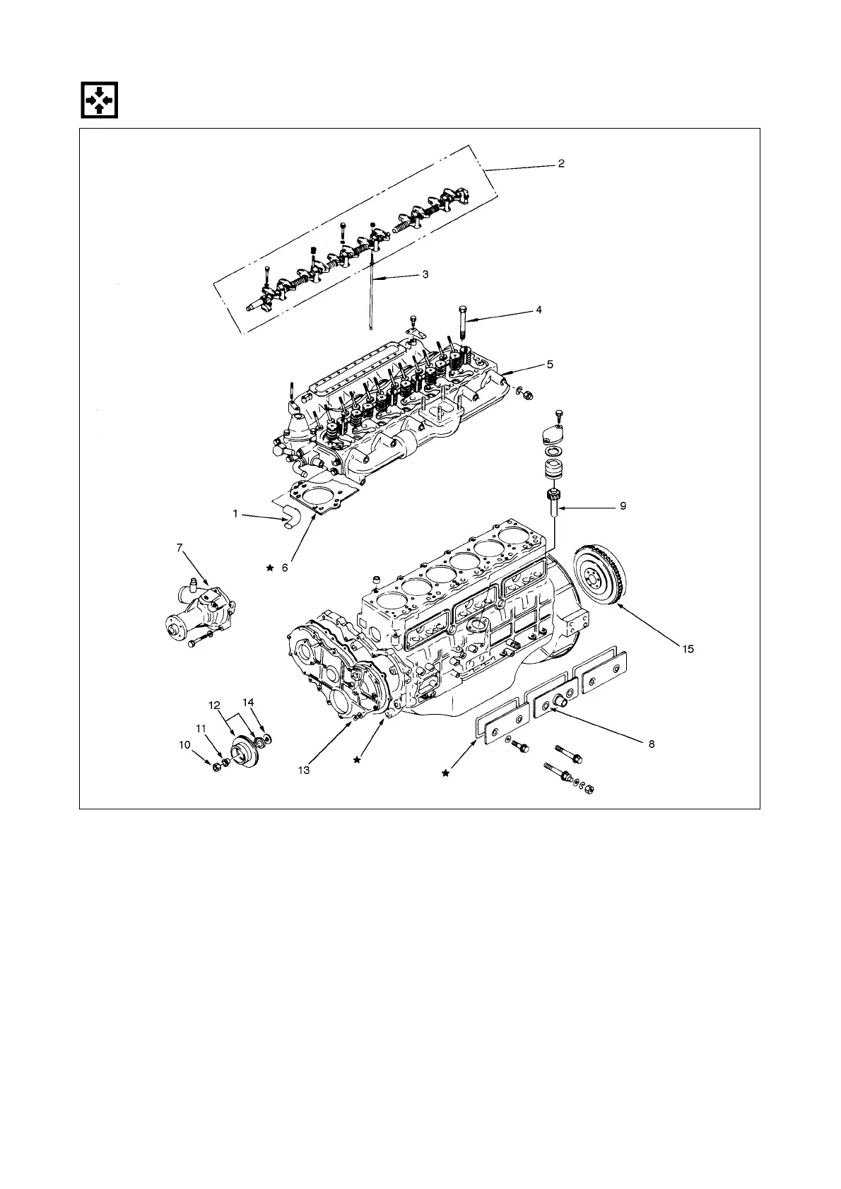
EJM2141S
: Repair Kit
<Reassembly Steps>
1. Rubber hose
2. Push rod
3. Rocker arm and rocker arm shaft
4. Cylinder head bolt
5. Cylinder head
6. Cylinder head gasket
7. Water pump
8. Tappet chamber cover
9. Oil pump driving pinion
10. Crankshaft pulley nut
11. Taper bushing
12. Crankshaft pulley and dust thrower
13. Timing gear cover
14. Oil thrower
15. Flywheel

Related product manuals