EasyManua.ls Logo

Daewoo DWD-FT1011 - 10 Wiring Diagram

Daewoo DWD-FT1011
65 pages
Print Icon
To Next Page IconTo Next Page
To Next Page IconTo Next Page
To Previous Page IconTo Previous Page
To Previous Page IconTo Previous Page
Loading...
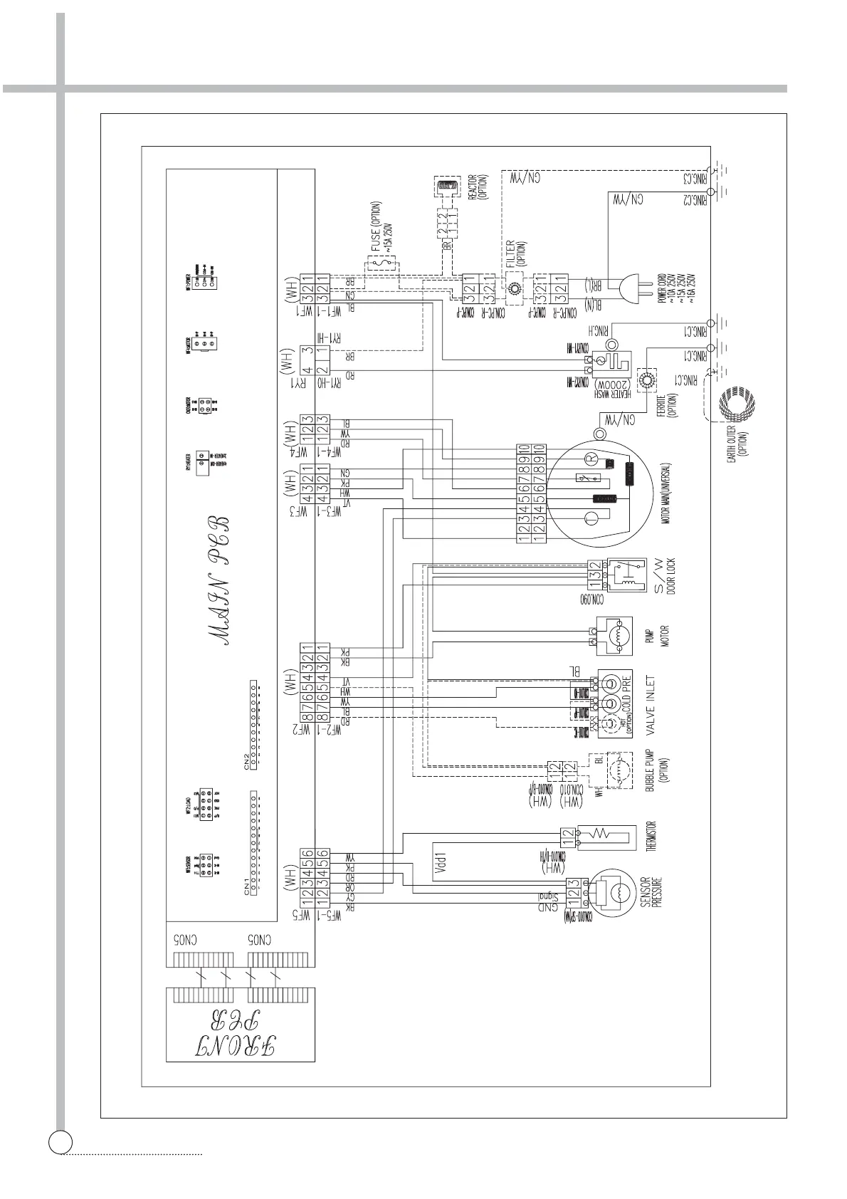
10. WIRING DIAGRAM
62
WIRING DIAGRAM

Table of Contents

Related product manuals