EasyManua.ls Logo

Daikin BPMKS048A2U - Heating Oil Return Operation & Defrost Operation

Daikin BPMKS048A2U
250 pages
Print Icon
To Next Page IconTo Next Page
To Next Page IconTo Next Page
To Previous Page IconTo Previous Page
To Previous Page IconTo Previous Page
Loading...
SiUS181305E Refrigerant Flow for Each Operation Mode
Refrigerant Circuit 38
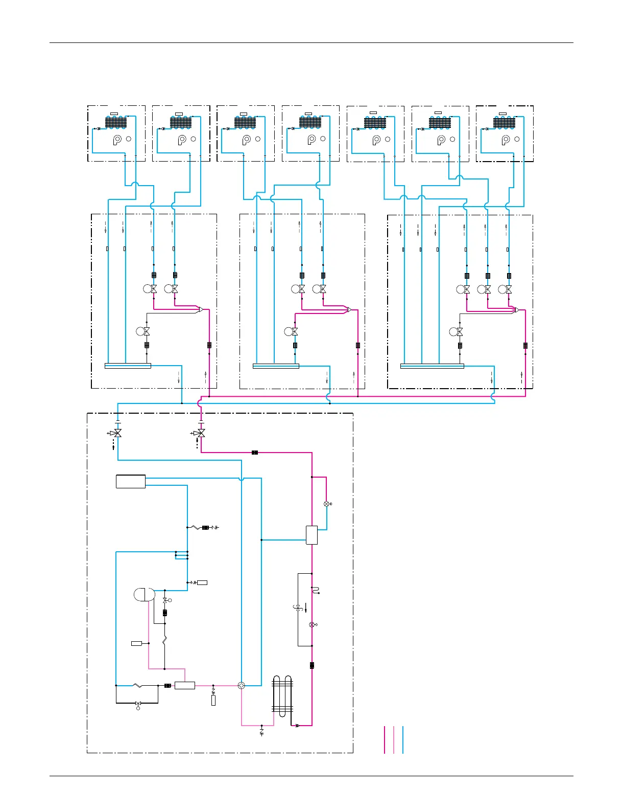
3.4 Heating Oil Return Operation & Defrost Operation
EVC : Full closeEVB : 80 pulseEVH : SH control
OUTDOOR UNIT INDOOR UNIT
FILTER
FILTER
EV
H
EV
C
EV
B
EV
A
FILTER
FILTER
FILTER
FILTER
FILTER
EV
H
EV
A
EV
B
FILTER
FILTER
FILTER
FILTER
EV
H
EV
A
EV
B
FILTER
FILTER
FIELD PIPING
FIELD PIPING
SIROCCO FAN
FAN MOTOR
M
HEAT EXCHANGER
M
M
M
M
M
M
BP UNIT
(R15419)
EVA : 80 pulse EV
H : SH controlEVB : 80 pulse
EV
H : Full closeEVB : 80 pulse
EV
A : SH control
EV
A : SH control
FIELD PIPING
FIELD PIPING
SIROCCO FAN
FAN MOTOR
HEAT EXCHANGER
FIELD PIPING
FIELD PIPING
FAN MOTOR
HEAT EXCHANGER
FIELD PIPING
FIELD PIPING
FAN MOTOR
HEAT EXCHANGER
FIELD PIPING
FIELD PIPING
FAN MOTOR
HEAT EXCHANGER
FIELD PIPING
FIELD PIPING
FAN MOTOR
HEAT EXCHANGER
FIELD PIPING
OFF
OFF
OFF
OFF
ON
ON
ON
FIELD PIPING
FAN MOTOR
HEAT EXCHANGER
SIROCCO FAN
SIROCCO FAN
SIROCCO FAN
SIROCCO FAN
SIROCCO FAN
ELECTRONIC
EXPANSION VALVE (BYPASS)
ELECTRONIC
EXPANSION VALVE (ROOM A)
ELECTRONIC
EXPANSION VALVE (ROOM B)
LIQUID SIDE
THERMISTOR (DLA)
LIQUID SIDE
THERMISTOR (DLB)
GAS SIDE
THERMISTOR (DGA)
GAS SIDE
THERMISTOR (DGB)
ELECTRONIC
EXPANSION VALVE (BYPASS)
ELECTRONIC
EXPANSION VALVE (ROOM A)
ELECTRONIC
EXPANSION VALVE (ROOM B)
LIQUID SIDE
THERMISTOR (DLA)
LIQUID SIDE
THERMISTOR (DLB)
GAS SIDE
THERMISTOR (DGA)
GAS SIDE
THERMISTOR (DGB)
ELECTRONIC
EXPANSION VALVE (ROOM A)
ELECTRONIC
EXPANSION VALVE (ROOM B)
ELECTRONIC
EXPANSION VALVE (ROOM C)
GAS SIDE
THERMISTOR (DGA)
GAS SIDE
THERMISTOR (DGB)
GAS SIDE
THERMISTOR (DGC)
LIQUID SIDE
THERMISTOR (DLA)
LIQUID SIDE
THERMISTOR (DLC)
LIQUID SIDE
THERMISTOR (DLB)
ELECTRONIC
EXPANSION VALVE (BYPASS)
SV
SV
SERVICE PORT
FILTER
FILTER
FILTER
FILTER
FILTER
HEAT EXCHANGER
COMPRESSOR
ACCUMULATOR
: High pressure liquid refrigerant
: High pressure high temp. gas refrigerant
: Low pressure low temp. liquid or gas refrigerant
SOLENOID
VALVE
(Y2S)
CAPILLARY
TUBE
HIGH PRESSURE
SWITCH
CAPILLARY
TUBE
SOLENOID
VALVE
LOW PRESSURE
SENSOR
CAPILLARY
TUBE
HIGH PRESSURE
SENSOR
OIL
SEPARATOR
FOUR WAY
VALVE
SERVICE
PORT
PRESSURE
REGULATING VALVE
ELECTRONIC
EXPANSION VALVE
(Y1E)
DOUBLE PIPE
HEAT EXCHANGER
ELECTRONIC
EXPANSION VALVE (Y3E)
GAS LINE
STOP VALVE
LIQUID LINE
STOP VALVE
Y1E
Y3E
Y2S
480 pulse
55 pulse
OFF
HEAT
EXCHANGER
THERMISTOR
HEAT
EXCHANGER
THERMISTOR
HEAT
EXCHANGER
THERMISTOR
HEAT
EXCHANGER
THERMISTOR
HEAT
EXCHANGER
THERMISTOR
HEAT
EXCHANGER
THERMISTOR
HEAT
EXCHANGER
THERMISTOR

Table of Contents

Related product manuals