EasyManua.ls Logo

Daikin DAR09 - Page 105

Daikin DAR09
112 pages
Print Icon
To Next Page IconTo Next Page
To Next Page IconTo Next Page
To Previous Page IconTo Previous Page
To Previous Page IconTo Previous Page
Loading...
105
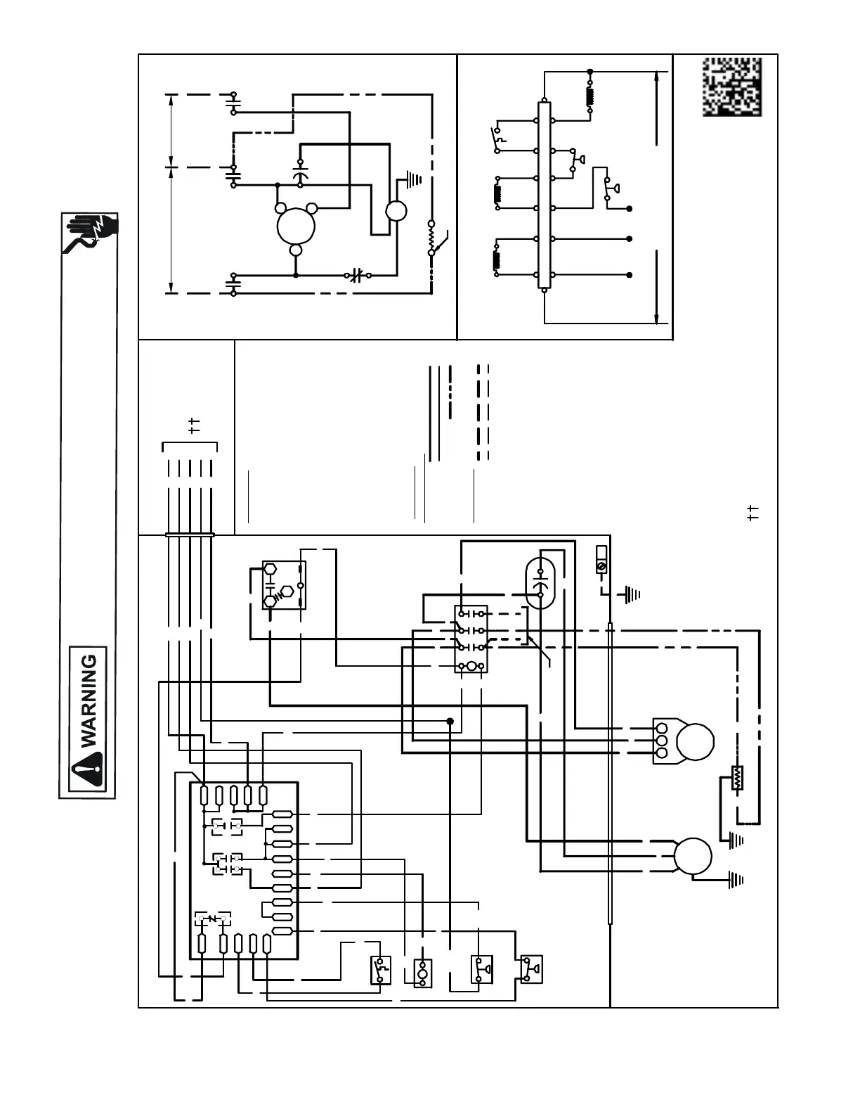
WIRING DIAGRAMS
HIGH VOLTAGE!
DISCONNECT ALL POWER BEFORE SERVICING OR INSTALLING THIS
UNIT. MULTIPLE POWER SOURCES MAY BE PRESENT. FAILURE TO
DO SO MAY CAUSE PROPERTY DAMAGE, PERSONAL INJURY OR DEATH.
Wiring is subject to change. Always refer to the wiring diagram on the unit for the most up-to-date wiring.
DZ11SA[090-120]3A*
USE N.E.C. CLASS 2 WIRE
NOTES:
1) TO INDOOR UNIT LOW VOLTAGE TERMINAL BLOCK & INDOOR THERMOSTAT.
2) CRANKCASE HEATER FACTORY INSTALLED OPTION.
3) USE COPPER CONDUCTORS ONLY
4) 40VA MINIMUM TRANSFORMER IS REQUIRED
5) COMMON SIDE OF TRANSFORMER MUST BE GROUNDED
0140R00186 - C
OR
YL
BL
RD
O
Y
C
R
SEE NOTE # 1
YL/PK ---------- YELLOW W/PINK
HASH MARKS
COMPONENT CODE
C --------------- CONTACTOR
CH ------------- CRANKCASE HEATER
CM ------------ OUTDOO R FAN MOTOR
COMP -------- COMPRESSOR
DC ------------- DEFROST CO NTROL
DFT ----------- DEFROST THERMOSTAT
FC --------- ---- FAN CAPACITOR
HVDR -------- HIGH VOLTA GE DEFRO ST RELAY
IO -------------- INTERNAL OVERLOAD
LPS ------------ LOW PRESSURE SWIT CH
LVDR --------- LOW VOLTAGE DEFROST RELAY
LVJB ---------- LOW VOLTAGE JUN CT ION BOX
RVC ----------- REVERSING VALVE COIL
CMR ----------- CONDENSER M OTOR RELAY
HPS ----------- HI GH PRESSURE SWITCH
CHS ----------- CRANKCASE HEATER SWITCH
CONTROLS SHOWN WIT H THER MOSTAT IN 'OFF' POSI TI ON.
W
IRING CODE
FA
CTO
RY WIRING
HIGH VOLTAGE
LOW VOLTAGE
OPTIONAL HIGH VOLTAGE
FIELD WIRI NG
HIGH VOLTAGE
LOW VOLTAGE
LVJB
CO NTROL BOX
BK
BR
PU
BK
DFT
YL/PK
LPS
EQUIPMENT
GROUND
DFT
W
O-RV
DC
RVC
BK
BK
CH
BK
WH
W2
YL
BK
RD
BK
BK
YL
C
T1
L1
T2
L2
T3
L3PU
PU
RD
FC
PU
BR
PU
3
1
CMR
BL
BL
BK
BL/PK
BL/PK
HPS
RD
BK
BK
CMR
C
OLO
R C
ODE
BK --------------- BLACK
BL --------------- BLUE
BR --------------- BROWN
OR --------------- ORANGE
PK ---------------- PINK
PU --------------- PURPLE
RD ------- -------- RED
WH -------------- WHITE
YL --------------- YELLOW
BL/PK ---------- BLUE W/PINK
HASH MARKS
L1 L2 L3
DC
RD
BK
BK
BL
RD
PU
OR
BL/PK
WH
T1
C
FC
T3
C
L1
L3
L2
C
T2
CH
Y
PS1PS2 CNT
DFTR-DFT
C-RV
DF1DF2
O
LPS
HPS
W2 YO
C
CMR
RVC
R
C
OUTDOOR POWER SUPPLY
SEE RATING PLATE
2
1
3
COMP
L1 L2 L3
CM
COMP
S
C
R
CM
YL
YL/PK
Y
L/PK
OR
WH
RD
BL
BK
BL
BL
R
DF1
DF2
0
0-RV
C-RV
W
LVDR
HVDR
CCR
CNT
0
DFT
R-DF T
R-PS1
Y
Y
C
R
C
C
PS2
RD
RD
RD
RD
SEE NOTE 2
SEE NOTE 4 & 5
(IF USED)
NOTE 2
SEE NOTE 3
SEE NOTE 3
INDOOR POWER SUPPLY

Table of Contents

Related product manuals