EasyManua.ls Logo

Daikin ERRQ 016AAY1 - Piping Diagrams; Outdoor Unit

Daikin ERRQ 016AAY1
262 pages
Print Icon
To Next Page IconTo Next Page
To Next Page IconTo Next Page
To Previous Page IconTo Previous Page
To Previous Page IconTo Previous Page
Loading...
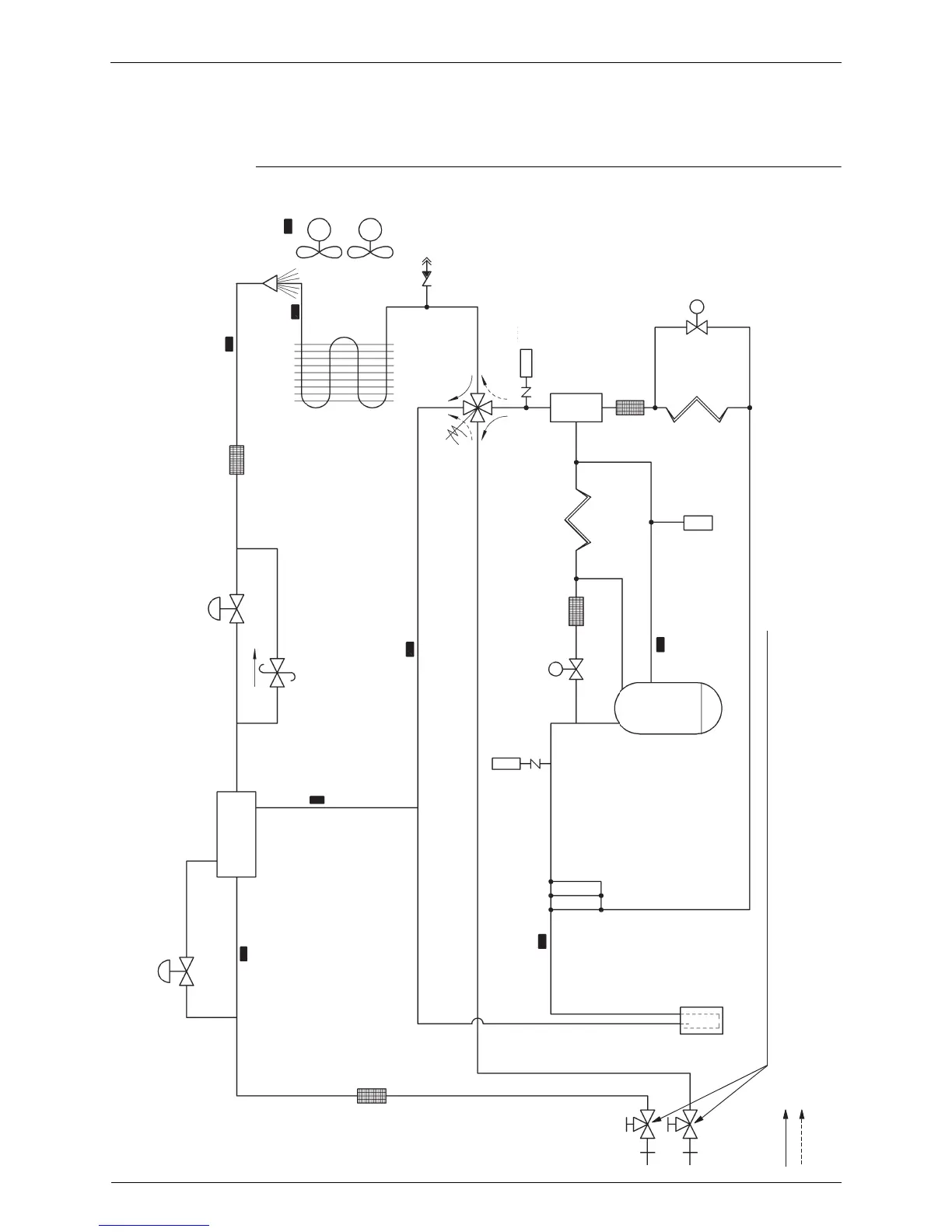
Piping Diagrams ESIE09-08
210 Appendix
1. Piping Diagrams
1.1 Outdoor Unit
ERRQ + ERSQ 011/014/016 AAV1
ELECTRONIC
EXPANSION
VALVE (Y3E)
ELECTRONIC
EXPANSION
VALVE (Y1E)
HEAT
EXCHANGER
FILTER
FILTER
FILTER
FILTER
OIL SEPA-
RATOR
R8T
R1T
R4T
R2T
R5T
R3T
R6T
R7T
ACCUMULATOR
HEATING
STOP VALVE (WITH SERVICE PORT ON FIELD PIPING SIDE
ø 7.9MM FLARE CONNECTION)
DEFROST
FANS
M1F
M2F
SP
p >
SERVICE PORT
4-WAY VALVE
(Y1S)
CAPILLARY
TUBE
CAPILLARY
TUBE
HIGH PRESSURE
SENSOR (S1NPH)
HIGH
PRESSURE
SWITCH
(S1PH)
SOLENOID VALVE
(Y3S)
SOLENOID VALVE
(Y2S)
DOUBLE PIPE
HEAT EXCHANGER
PRESSURE REGULATING
VALVE
SV
SV
SP
COMPRESSOR
(M1C)
Low pressure
sensor (S1NPL)

Table of Contents

Related product manuals