EasyManua.ls Logo

Daikin WGZ030DW - Location and Space Requirements; Moving the Unit

Daikin WGZ030DW
88 pages
Print Icon
To Next Page IconTo Next Page
To Next Page IconTo Next Page
To Previous Page IconTo Previous Page
To Previous Page IconTo Previous Page
Loading...
OMM 1130-2 7
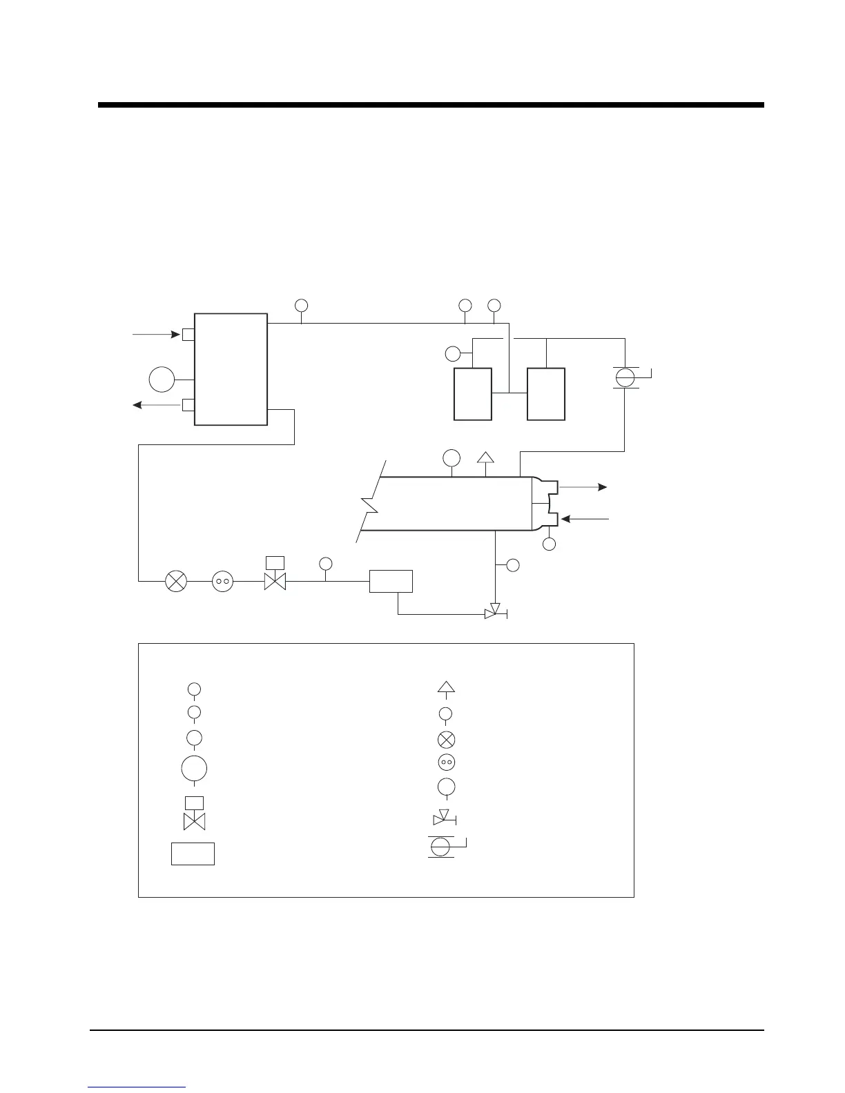
Unit Configuration
The chiller units have two refrigerant circuits, Models WGZ 030 to WGZ 130 have two tandem scroll
compressors (total of four), a single two-circuited brazed plate evaporator, a single two-circuited water-
cooled condenser, interconnecting refrigerant piping and a control panel with associated sensors and
transducers.
Models WGZ 150 to WGZ 200 have two refrigerant circuits, two trio scroll compressors (total of six), a
single two-circuited shell-and-tube evaporator, a single two-circuited water-cooled condenser,
interconnecting refrigerant piping and a control panel with associated sensors and transducers.
Figure 4, Schematic Piping Diagram (One of Two Circuits for WGZ030D – 130D)
NOTE: W
GZ 150 to WGZ 200 have a shell-and-tube evaporator, three compressors per circuit, and
electronic expansion valves.
Comp
#2
Comp
#1
Condenser
Condenser
Water
Evaporator
Chilled
Water
S
F-D
T
S
S
CV
SP
P
1
LWT
T
T
Legend:
Temperature Sensor
Pressure Transducer
Pressure (High Pressure Cutout)
Temperataure Sensor, Leaving
Chilled Water Control
T
T
T
P
P
1
LWT
Relief Valve
Schrader Fitting
Thermal Expansion Valve
Sight Glass / Moisture Indicator
Charging Valve
T
S
CV
S
Solenoid Valve
F-D
Filter-Drier
Angle Valve
Ball Valve

Other manuals for Daikin WGZ030DW

Related product manuals