EasyManua.ls Logo

Dake J-10 - Page 10

Dake J-10
27 pages
Print Icon
To Next Page IconTo Next Page
To Next Page IconTo Next Page
To Previous Page IconTo Previous Page
To Previous Page IconTo Previous Page
Loading...
6/02
10
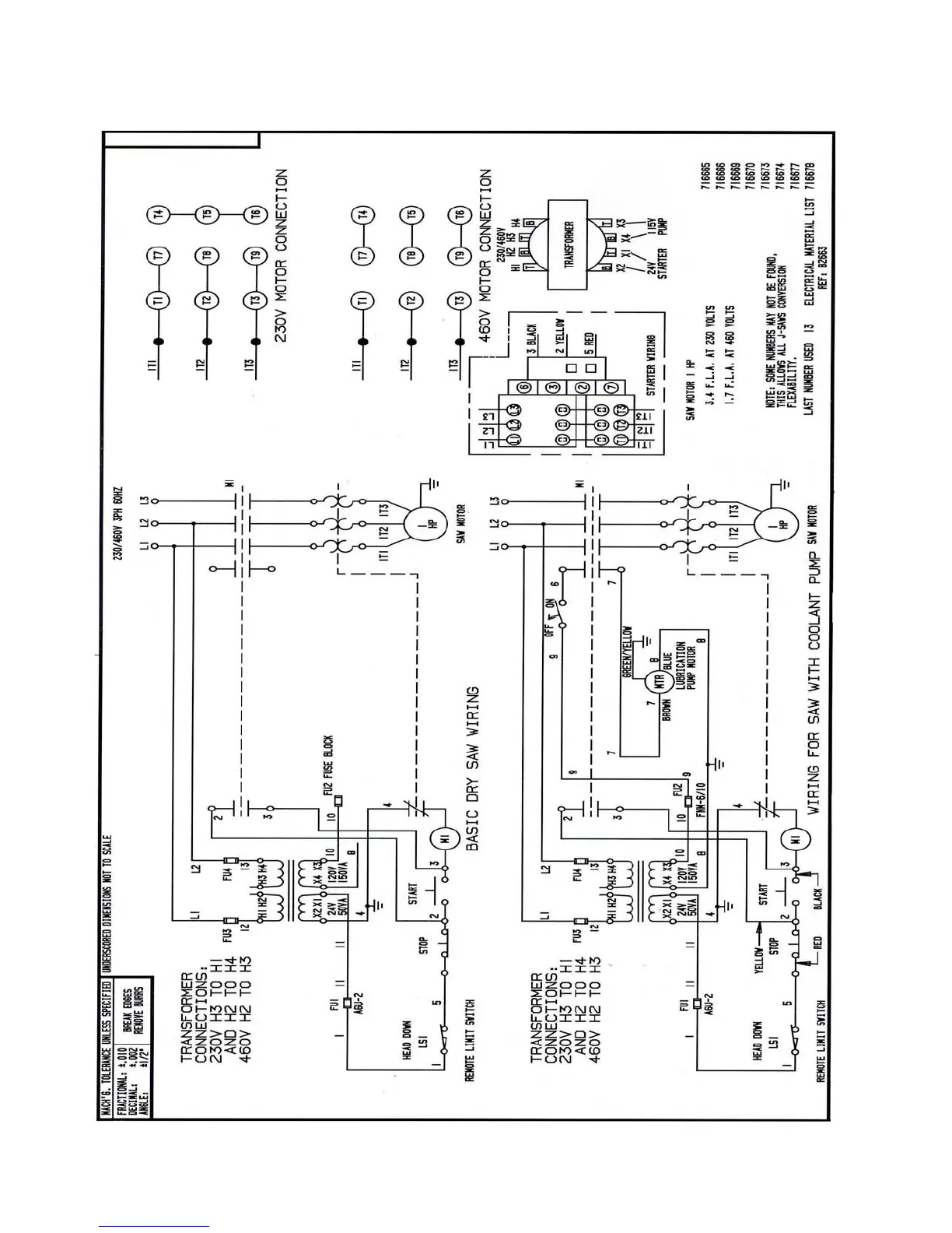
THREE PHASE ELECTRICAL DIAGRAM

Related product manuals