EasyManua.ls Logo

Dake SE-712 - Circuit Diagram

Dake SE-712
34 pages
Print Icon
To Next Page IconTo Next Page
To Next Page IconTo Next Page
To Previous Page IconTo Previous Page
To Previous Page IconTo Previous Page
Loading...
- 23 -
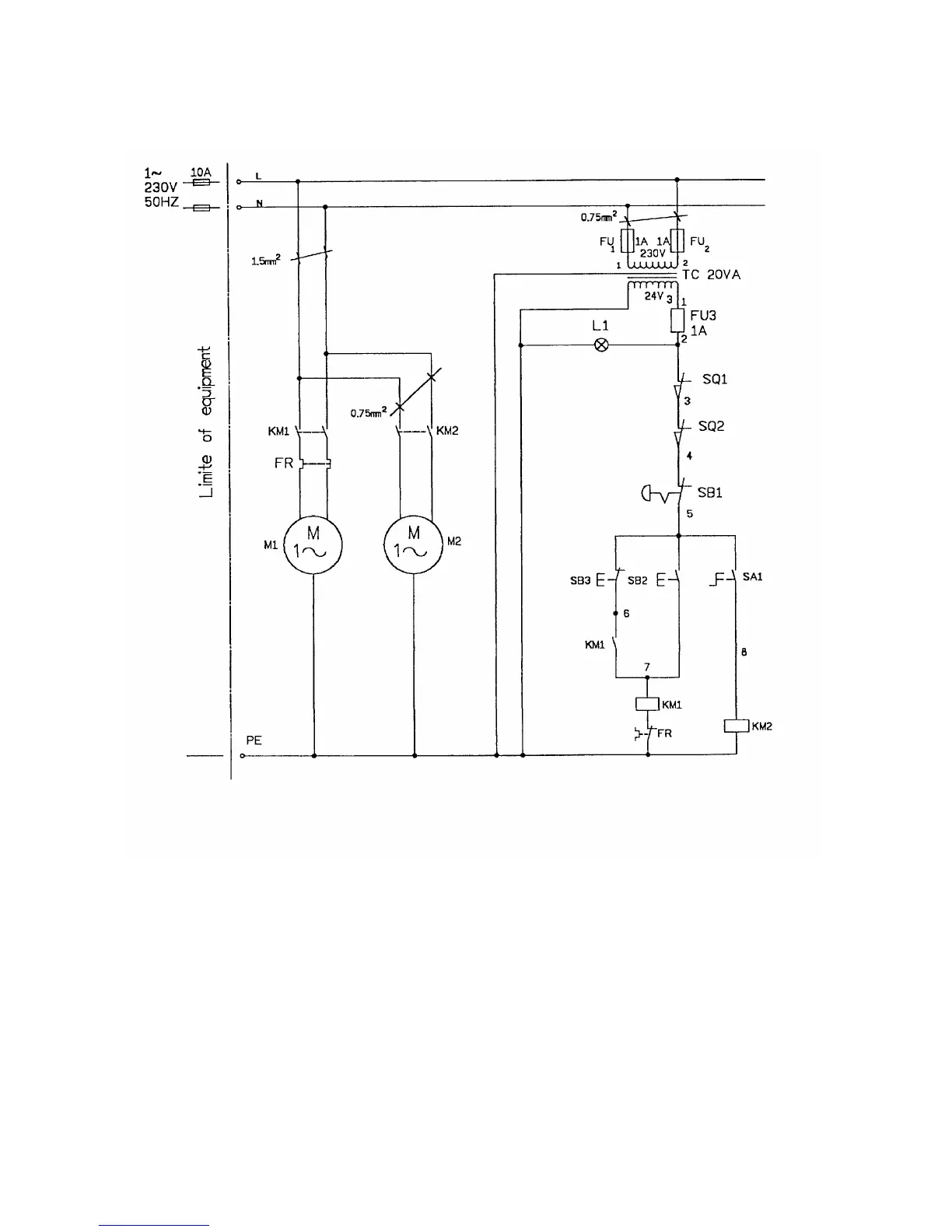
CIRCUIT DIAGRAM

Related product manuals