EasyManua.ls Logo

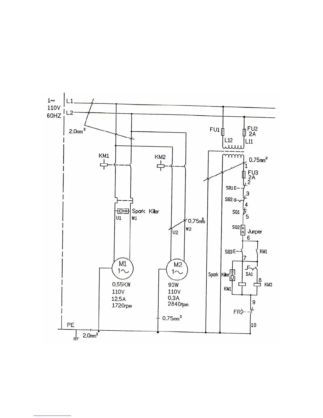
Dake SE-912 - Electrical Specification Chart

Dake SE-912
34 pages
Print Icon
To Next Page IconTo Next Page
To Next Page IconTo Next Page
To Previous Page IconTo Previous Page
To Previous Page IconTo Previous Page
Loading...
- 23 -
ELECTRICAL SPECIFICATION

Related product manuals