EasyManua.ls Logo

Danfoss EXD 316 - Page 8

Danfoss EXD 316
16 pages
Print Icon
To Next Page IconTo Next Page
To Next Page IconTo Next Page
To Previous Page IconTo Previous Page
To Previous Page IconTo Previous Page
Loading...
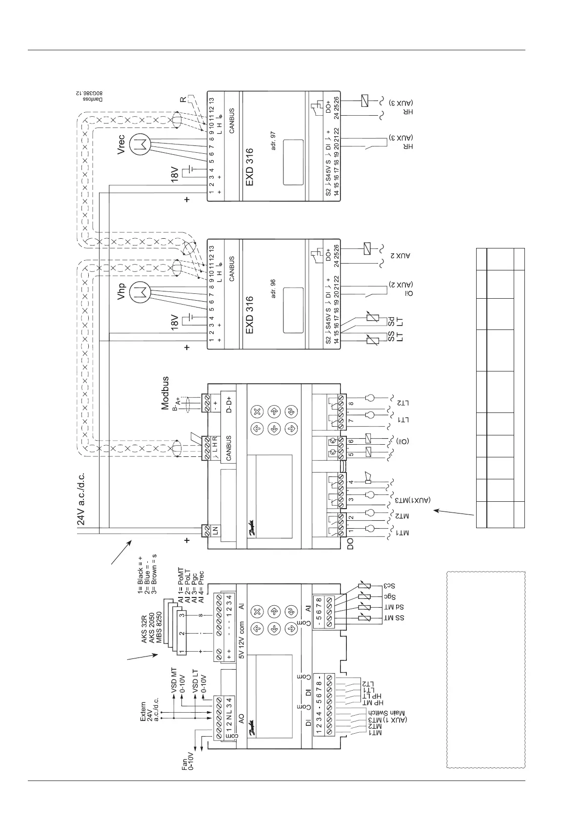
8 Instructions RI8SR1ML © Danfoss 01/2019 AK-PC 572
DEUTSCH
Verbindung, untere Ebene Verbindung, obere Ebene
Funkenstörung
Signalkabeln für Fühlern, DI-Eingängen, Datenkommunika-
tion und Display sind getrennt von Hoch Spannungs (230
V) Elektrokabeln zu verlegen:
- Separate Kabeltröge verwenden.
- Zwischen den Hochspannungs- und Signal-Kabeln einen
Abstand von mindestens 10 cm halten.
- Bei DI-Eingängen Kabel länger als 3 m vermeiden.
Anschluss
DO DO1 DO2 DO3 DO4 DO5 DO6 DO7 DO8 Σ 1-8
I Max. 10 A
(3,5)
10 A
(3,5)
6 A
(4)
6 A
(4)
0,5 A
min. 50 mA
Ioff < 1,5 mA
0,5 A
min. 50 mA
Ioff < 1,5 mA
6 A
(4)
6 A
(4)
32 A
U Alle 24 V oder alle 230 V a.c.
Achtung
Die Versorgungs-
spannung des AI
kann das Signal
nicht mit anderen
Reglern teilen.
Separate
versorgung!
Warnung!
+ muss mit + verbunden sein
(L an1 an 1)
Wichtig!
Warten Sie, bevor Sie die Spannungsversorgung an
die Module anschließen!
Sie müssen wie folgt vorgehen, um die Adressen 96
und 97 zu festzulegen. Siehe Seite 11.

Related product manuals