EasyManua.ls Logo

Danfoss Series 40 M46 - Page 13

Danfoss Series 40 M46
48 pages
Print Icon
To Next Page IconTo Next Page
To Next Page IconTo Next Page
To Previous Page IconTo Previous Page
To Previous Page IconTo Previous Page
Loading...
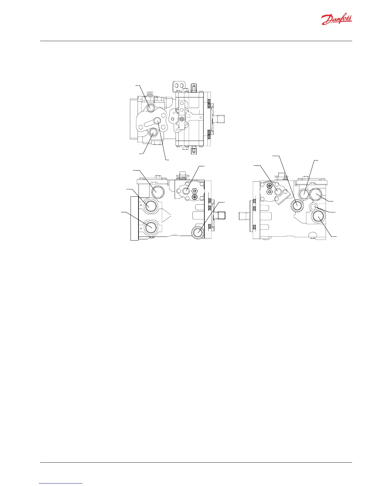
Port locations
P106 604E
M4
M5
L1
L2
B
A
MA
MB
M3
RA
RB
R
S
BP
Service Manual
Series 40 M46 Variable Pumps
Required tools and pressure measurements
©
Danfoss | September 2017 11026743 | AX00000027en-US0202 | 13

Table of Contents

Related product manuals