EasyManua.ls Logo

dbx 222 - Schematic

dbx 222
20 pages
Print Icon
To Next Page IconTo Next Page
To Next Page IconTo Next Page
To Previous Page IconTo Previous Page
To Previous Page IconTo Previous Page
Loading...
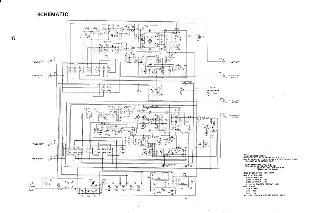
SCHEMATIC
16
IOIE5
[t55 osEM5t 5P€ClFlro
Lr)RE5l5Tfi5 Nt r/{! IN
H5rr.r000r.15*LJ)
r?)ilTED nT&
q
sBMimfi N ols( CpAClTms
ME 0 C50V
TGLEW€ MT 5 IMIilTO STLq
MM
CMIC N 5W
}q
Dts d@tc
10
25mlLt55
m 5Fr
+0 5Fr0F
#1, t5rll@
!?ffi)
i[rrfiarER
M
loocFr
13ttrL e tr5
ME P/il ra6?(l
rLF!5rr
s
cro
ar
ru.PA la216r
09 0r Ma
m.P/il la?ri
oil,ur2 Mt
m5l5Td MilY,P/il
l.6I?r
(5r5r,55 .
i€C
r6i(o9 R??, rc6r,RoJr
stLtcl PtR oMre
ll3.0l3

Related product manuals