EasyManua.ls Logo

Dea SPACE Series - Page 177

Dea SPACE Series
216 pages
Go to English
To Next Page IconTo Next Page
To Next Page IconTo Next Page
To Previous Page IconTo Previous Page
To Previous Page IconTo Previous Page
Loading...
175
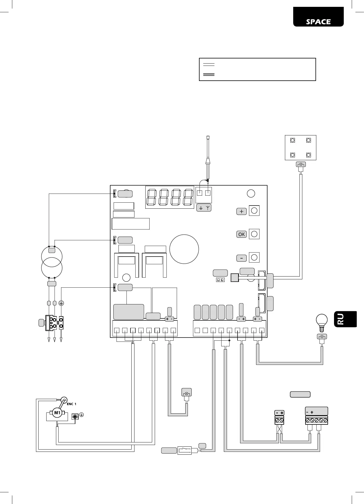
ЭЛЕКТРОСХЕМА SPACE
IN 4
IN 3
4 5 6 71 2 3 8
19 18
MOT 1
IN 2
IN 1
COM
J4
CON1
CON2
CON2
OUT 1
OUT 2
+24V_ST
CON4
ENC (M1)
ENC A
+
ENC B
-
9 13 14 15 1610 11 12 17
RG58
F1
ПИТАНИЕ
230B~ 50Hz ±10%
H05VV-F 3x0,75
MM
2
F
N
230V
25V
TX RX
COM
N.C.
N.O.
N.O.
START
2 x 0,5 mm
2
PHOTO 1
СИГНАЛЬНАЯ ЛАМПОЧКА
"ВОРОТА ОТКРЫТЫ"
24V max 5W
ПЛАФОН
2 x 0,5 mm
2
2 x 0,5 mm
2
ВНУТРЕННЯЯ ПРОВОДКА, ПРЕДУСМОТРЕНН. ФАБРИКОЙ
ВНЕШНЯЯ ЭЛЕКТРОПРОВОДКА, ПРЕДУСМОТРЕН. УСТАНОВЩИКОМ
2 x 0,5 mm
2
2 x 0,5 mm
2
СИГНАЛЬНАЯ
ЛАМПА
24V max 5W
2 x 0,5 mm
2
CON5
2 x 0,5 mm
2
FLASH
MOT 1
CON3

Table of Contents

Related product manuals