EasyManua.ls Logo

Dell P992 - Page 38

Dell P992
75 pages
Print Icon
To Next Page IconTo Next Page
To Next Page IconTo Next Page
To Previous Page IconTo Previous Page
To Previous Page IconTo Previous Page
Loading...
P992 (E) 4-16
123456
7
8910
A
B
C
D
E
F
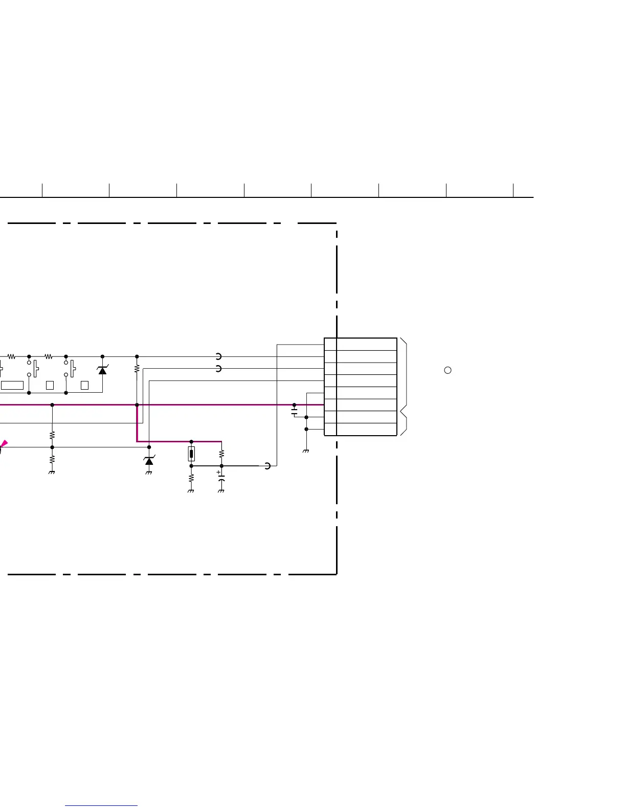
(4) Schematic Diagram of H4 Board
4.6
3.1
0
0.5
1
2
3
4
5
6
7
8
S1400
S1401
Q1400
LED DRIVE
LED DRIVE
Q1401
C1498
R1402
R1404
R1421
R1424
FB1402
FB1403
D1400
R1406
R1407
CN1400
DTC114ESA-TP
0.1
:B
100
:RN
R1403
100
:RN
470
:RN
10k
:RN
22k
:RN
SML79423C-TP15
H4(USER CONTROL)
DTC114TSA
R1401
220
:RN
R1400
220
:RN
-+
KEY SCAN
LED 1
TO D- b BOARD
CN1103
CHASSIS GND
LED 2
GND
+5V
GND
GND
AG
POWER
150
220
8P
1.1µH
1.1µH
S1402
BRT+
S1404
CONT-
S1405
MENU
B-SS9330<U/C>-H4..-EPS05
T_AMB
C1407
FB1404
R1419
R1420
TH1400
10k
47
16V
JW
100k
D1403
RD5.1ESB
D1402
RD5.1ESB

Other manuals for Dell P992

Related product manuals