EasyManua.ls Logo

Delta Electronics ASD-A0721LA - Page 67

Delta Electronics ASD-A0721LA
383 pages
Print Icon
To Next Page IconTo Next Page
To Next Page IconTo Next Page
To Previous Page IconTo Previous Page
To Previous Page IconTo Previous Page
Loading...
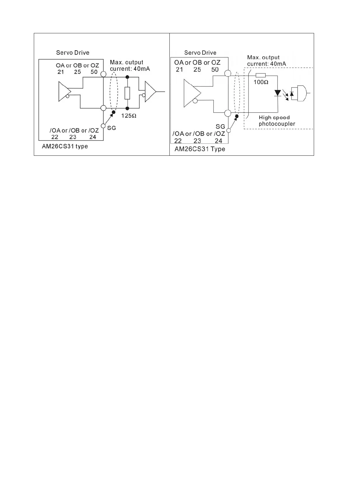
Chapter 3 Connections and Wiring|ASDA-A&A+ Series
3-34 Revision April 2009
C13: Encoder output signal (Line driver) C14: Encoder output signal (Photocoupler)
Call 1(800)985-6929 for Sales
deltaacdrives.com
sales@deltaacdrives.com
Call 1(800)985-6929 for Sales
deltaacdrives.com
sales@deltaacdrives.com

Table of Contents

Related product manuals