EasyManua.ls Logo

Delta Electronics ASD-A1521MA - Page 357

Delta Electronics ASD-A1521MA
383 pages
Print Icon
To Next Page IconTo Next Page
To Next Page IconTo Next Page
To Previous Page IconTo Previous Page
To Previous Page IconTo Previous Page
Loading...
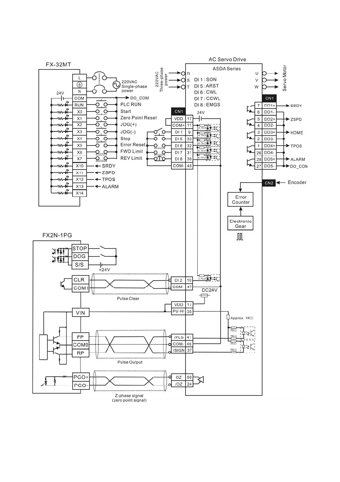
Chapter 12 Application Examples|ASDA-A&A+ Series
12-40 Revision April 2009
Connecting to Mitsubishi FX2N1PG
Call 1(800)985-6929 for Sales
deltaacdrives.com
sales@deltaacdrives.com
Call 1(800)985-6929 for Sales
deltaacdrives.com
sales@deltaacdrives.com

Table of Contents

Related product manuals