EasyManua.ls Logo

Delta ASD-A2-4523 Series - Speed Control Mode

Delta ASD-A2-4523 Series
721 pages
To Next Page IconTo Next Page
To Next Page IconTo Next Page
To Previous Page IconTo Previous Page
To Previous Page IconTo Previous Page
Loading...
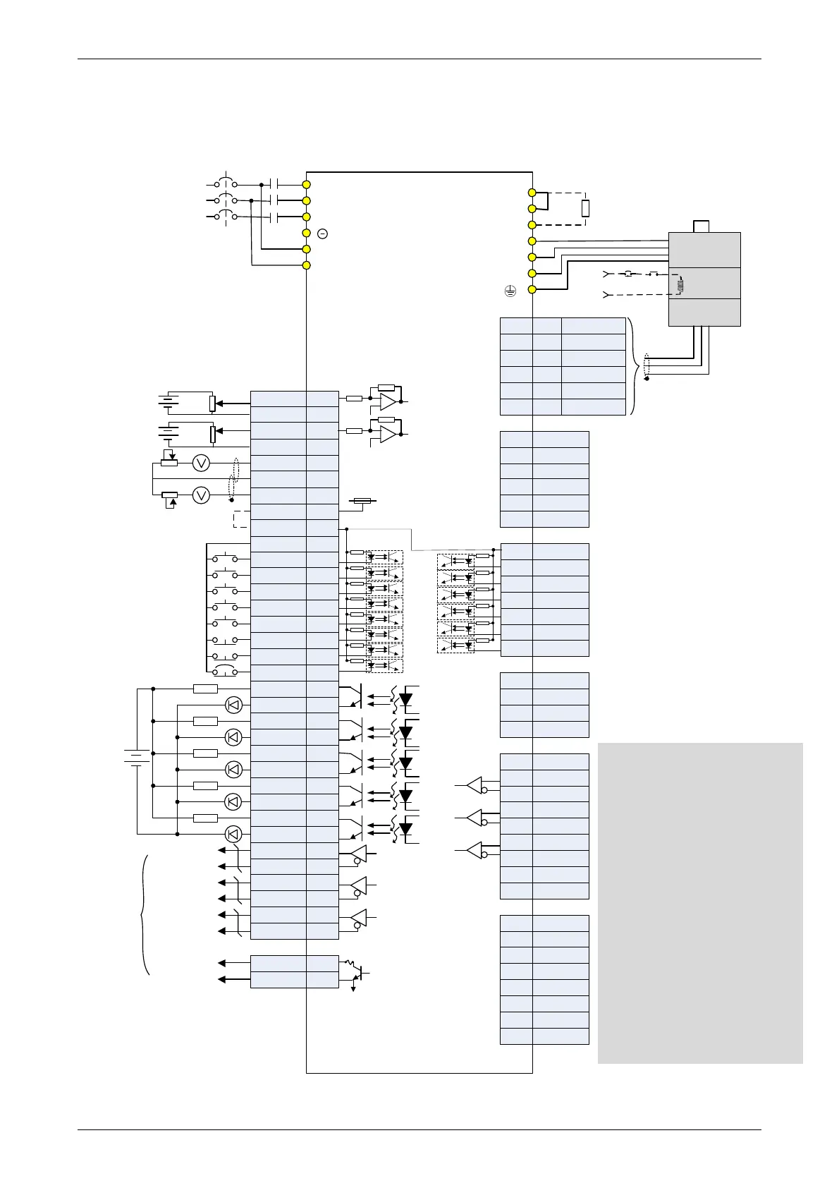
ASDA-A2 Chapter 3 Wiring
Revision February, 2017 3-67
3.12.3 Speed Control Mode
OCZ
GND
48
13
VDD
MON1
GND
MON2
COM+
COM-
DI1
DI2
DI3
DI4
DI5
DI6
DI7
DI8
DO1+
DO2-
DO3-
DO4-
DO2+
DO3+
DO4+
DO5+
DO1-
DO5-
/OA
OA
OB
/OB
/OZ
OZ
12,13,19
45,47,49
42
44
18
13
16
T-REF
GND
15
17
11
9
10
34
8
33
32
30
7
6
5
4
3
1
2
26
28
31
21
22
24
50
27
25
23
RS485+
RS232_RX
RS232_TX
GND
RS485-
-
5
6
4
3
1
2
7
5
6
4
3
1
2
COM+
EDI9-
EDI10-
EDI11-
EDI12-
EDI13-
EDI14-
+5V DC
Data-
Data+
GND
4
3
1
2
1,9
3,11
2,10
4,12
5,13
6,14
7,15
8,16
CAN H
CAN L
CAN GND
-
-
-
CAN GND
-
Opt A
+5V
Opt B
Opt /B
Opt /A
Opt Z
Opt /Z
GND
GND
9
7
5
6
3
1
2
8
4
CN7
CN4
CN1
CN5
CN6 CANopen
P
D
C
U
V
W
4.7KΩ
4.7KΩ
4.7KΩ
4.7KΩ
4.7KΩ
4.7KΩ
4.7KΩ
4.7KΩ
4.7KΩ
4.7KΩ
4.7KΩ
4.7KΩ
4.7KΩ
4.7KΩ
R
S
T
L1c
L2c
MC
MCCB ASDA-A2 series
SON
TRQLM
SPD0
SPD1
ARST
CWL
CCWL
EMGS
1.5KΩ
1.5KΩ
1.5KΩ
1.5KΩ
1.5KΩ
SRDY
ZSPD
BRKR
TSPD
ALRM
24V
10KΩ
10KΩ
10KΩ
±10V
10KΩ
10KΩ
DC 24V
SG
BRKREMGS
24V
GND
V-REF
10KΩ
10KΩ
10KΩ
±10V
6
1
5
4
3
2
Servo Drive
Twisted-pair or
twisted-shield
cable
Regenerative
Resistor
Red
White
Black
Green
Brake
Power Supply
AC 200/230 V
Three-phase
50/60Hz
Max. output
current 50mA
voltage 30V
A phase pulse
B phase pulse
Z phase pulse
Z phase open
collector
Encoder
Pulse
Output
T+
T-
-
+5V
-
GND
4
7
13,15
14,16
9
5
CN2
CN3
Blue
Blue/Black
-
Black/ Black &
White
Red/Red &
White
-
SG
Encoder
Twisted-pair or
twisted-shield
cable
Please note:
*1 Please refer to C9 ~ C12 wiring
diagrams (SINK / SOURCE
mode) in section 3.4.3.
*2 400W and below drives do not
provide built-in regenerative
resistor.
*3 The coil of brake has no polarity.
*4 For extension digital inputs (DI)
connections (CN7 is an optional
part, not Delta standard supplied
part.).
*5 For USB connection. It is used to
connect to personal computer or
notebook.
*6 Single -phase connections are
for servo drives 1.5kW and
below only.

Table of Contents

Other manuals for Delta ASD-A2-4523 Series

Related product manuals