EasyManua.ls Logo

Delta ASD-A2-4523 Series - Page 73

Delta ASD-A2-4523 Series
721 pages
Print Icon
To Next Page IconTo Next Page
To Next Page IconTo Next Page
To Previous Page IconTo Previous Page
To Previous Page IconTo Previous Page
Loading...
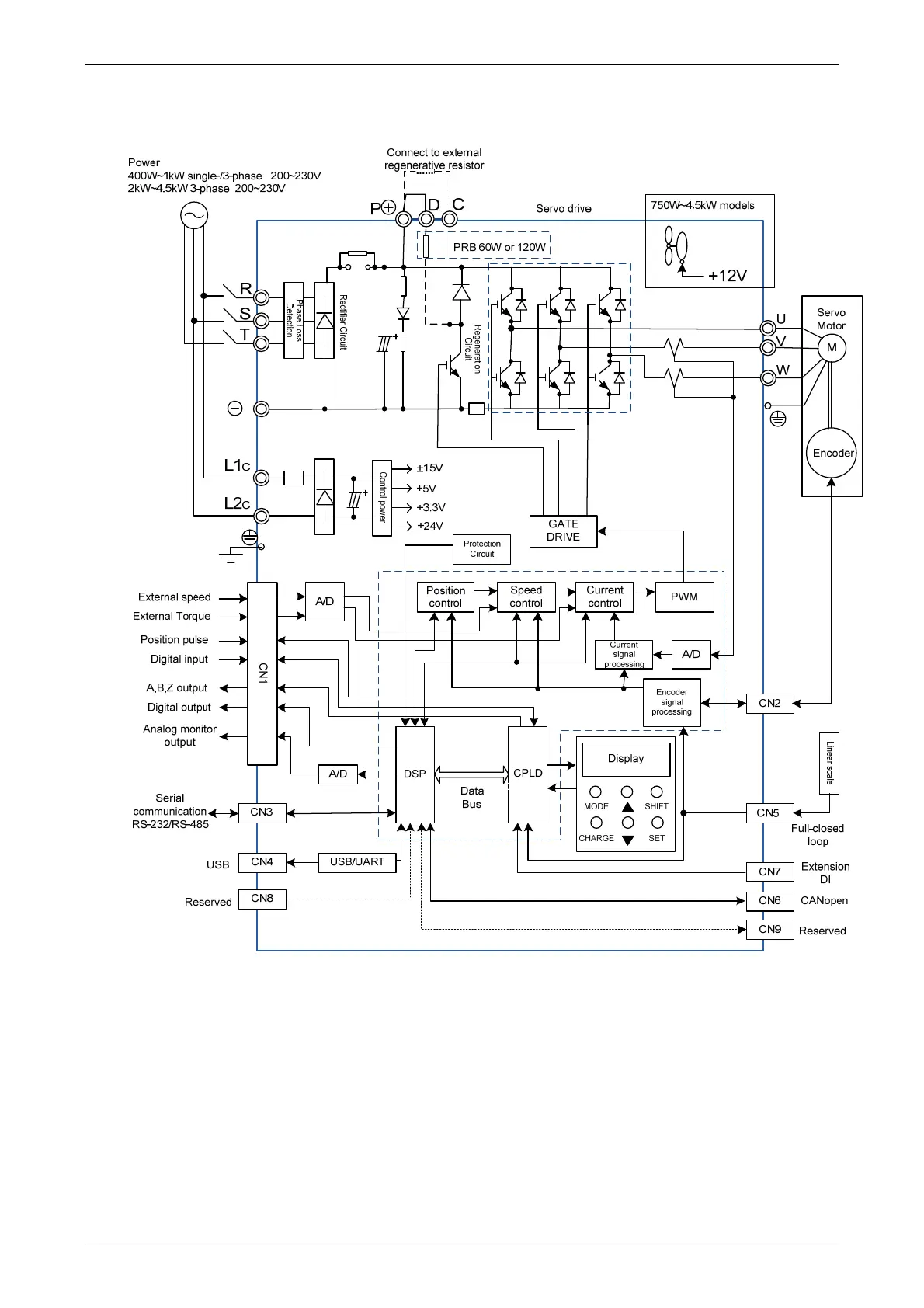
Chapter 3 Wiring ASDA-A2
3-26 Revision February, 2017
400W ~ 4.5 kW models (with built-in regenerative resistor)

Table of Contents

Other manuals for Delta ASD-A2-4523 Series

Related product manuals