EasyManua.ls Logo

Delta VFD-ED Series

Delta VFD-ED Series
447 pages
To Next Page IconTo Next Page
To Next Page IconTo Next Page
To Previous Page IconTo Previous Page
To Previous Page IconTo Previous Page
Loading...
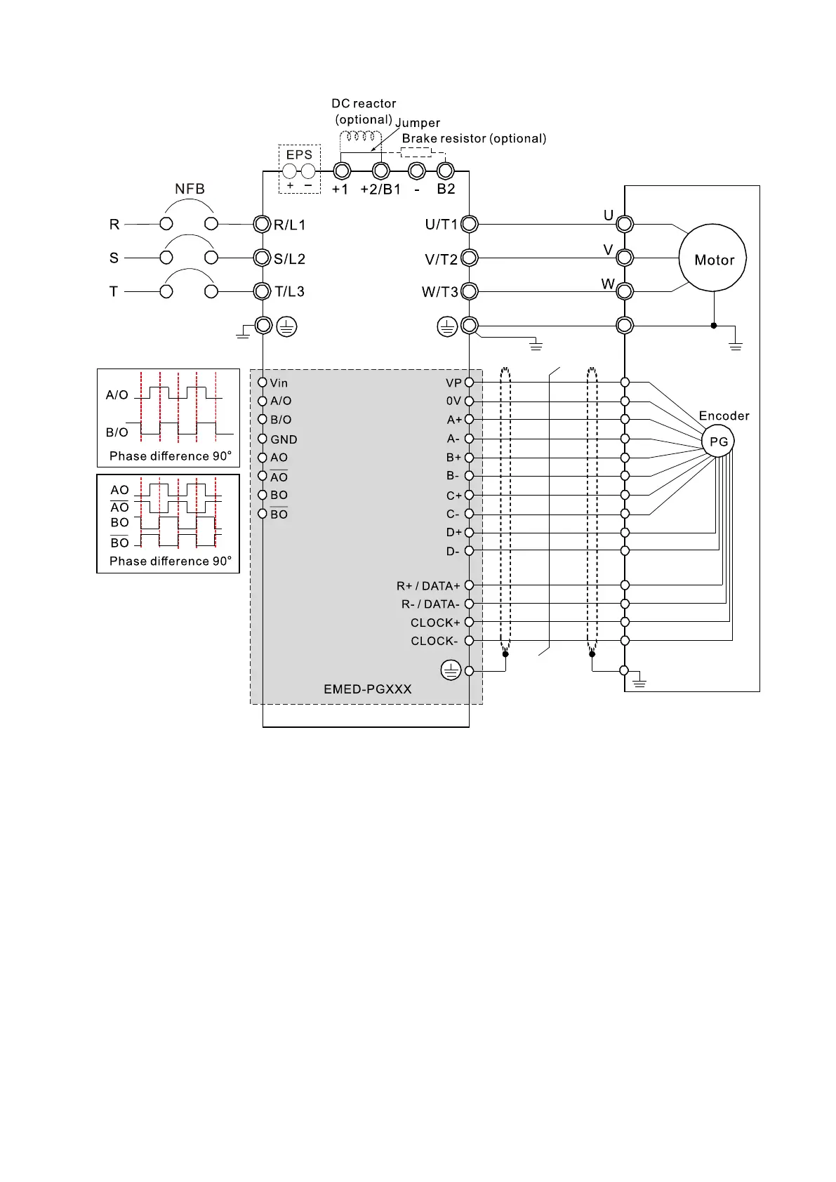
Chapter 7 Option Cards | VFD-ED
7-19
7-3-3 Wiring Diagram
Figure 7-23

Table of Contents

Related product manuals