EasyManua.ls Logo

Delta VFD25AMS43AFSHA - Page 38

Delta VFD25AMS43AFSHA
445 pages
Print Icon
To Next Page IconTo Next Page
To Next Page IconTo Next Page
To Previous Page IconTo Previous Page
To Previous Page IconTo Previous Page
Loading...
Chapter 6 Control TerminalsMS300 (High Speed Model)
6-1
Chapter 6 Control Terminals
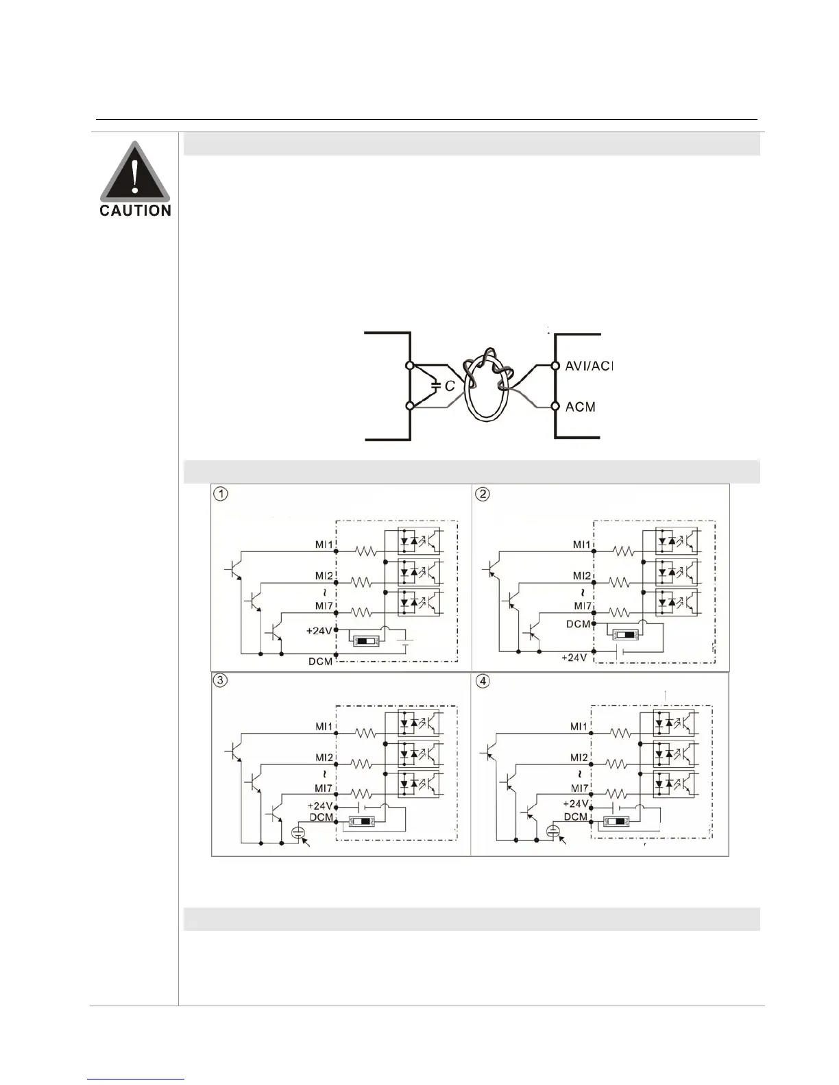
Analog input terminals (AVI, ACI, ACM)
Analog input signals are easily affected by external noise. Use shielded wiring and
keep it as short as possible (< 20 m) with proper grounding. If the noise is
inductive, connecting the shield to terminal ACM can bring improvement.
Use twisted-pair for weak analog signals.
If the analog input signals are affected by noise from the drive, please connect a
capacitor and ferrite core as indicated in the following diagram.
Contact input terminals
MI1~MI7, DCM, +24V
Sink Mode
with internal power (+24Vdc)
Source Mode
with internal power (+24Vdc)
internal
circuit
internal
circuit
Sink Mode
with external power
Source Mode
with external power
internal
circuit
internal
circuit
external power + 24V external power + 24V
When the photo-coupler is using internal power supply, the switch connection for Sink
and Source as below: MI-DCM: Sink mode, MI-+24 V: Source mode
Transistor Output Terminal (MO1, MO2, MCM)
Make sure to connect the digital outputs to the right polarity, see wiring diagram
When connecting a relay to the digital output, connect a surge absorber across the
coil and check the polarity.
Ferrite core
Wind each wire 3
times or more
around the core
(+24 VDC) (+24 VDC)

Table of Contents

Related product manuals