EasyManua.ls Logo

Delta VFD25AMS43AFSHA - 17-1 Basic Function Description

Delta VFD25AMS43AFSHA
445 pages
Print Icon
To Next Page IconTo Next Page
To Next Page IconTo Next Page
To Previous Page IconTo Previous Page
To Previous Page IconTo Previous Page
Loading...
Chapter 17 Safe Torque Off FunctionMS300 (High Speed Model)
17-2
17-1 Basic Function Description
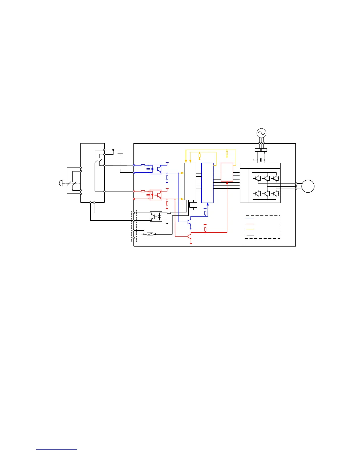
MS300 series provides a Safe Torque Off (STO, Safe Torque Off) function. Through the
dual-channel S1 and S2 signal input to turn off IGBT switching, thereby preventing the
generation of motor torque in order to achieve safe stop. Please refer to Figure 1 for the circuit
diagram of Safe Torque Off function.
MS300 Safe Torque Off function meets the following international specifications:
ISO 13849-1: 2015 Category 3 PL d
IEC 61508 SIL2
EN 62061 SIL CL 2
EN 60204-1 Category 0
Line
Driver
GU
GV
GW
GX
GY
GZ
Gate
Driver
IGBT Power Section
Motor
STO Functional Block Of Subsystem 3
+3.3V
+3.3V
+3.3V
A
B
CD
G
F
FDBK
MO2
MCM
RC
RA
1
2
3
S1
DCM
S2
DCM
R1
R2
R3
MCU
AC power
Line
Driver
2
SU1
SV1
SW1
SX
SY
SZ
SU
SV
SW
R4
4
+3.3V
DEC
Reset
IC
+3.3V
Channel A (safety)
Channel B (safety)
Diagnostic path
Non-safety path
Safety PLC
Emergency
Stop button
+24VDC
Figure 1: The circuit diagram of Safe Torque Off function

Table of Contents

Related product manuals