EasyManua.ls Logo

Denon AVR-590

Denon AVR-590
153 pages
To Next Page IconTo Next Page
To Next Page IconTo Next Page
To Previous Page IconTo Previous Page
To Previous Page IconTo Previous Page
Loading...
29
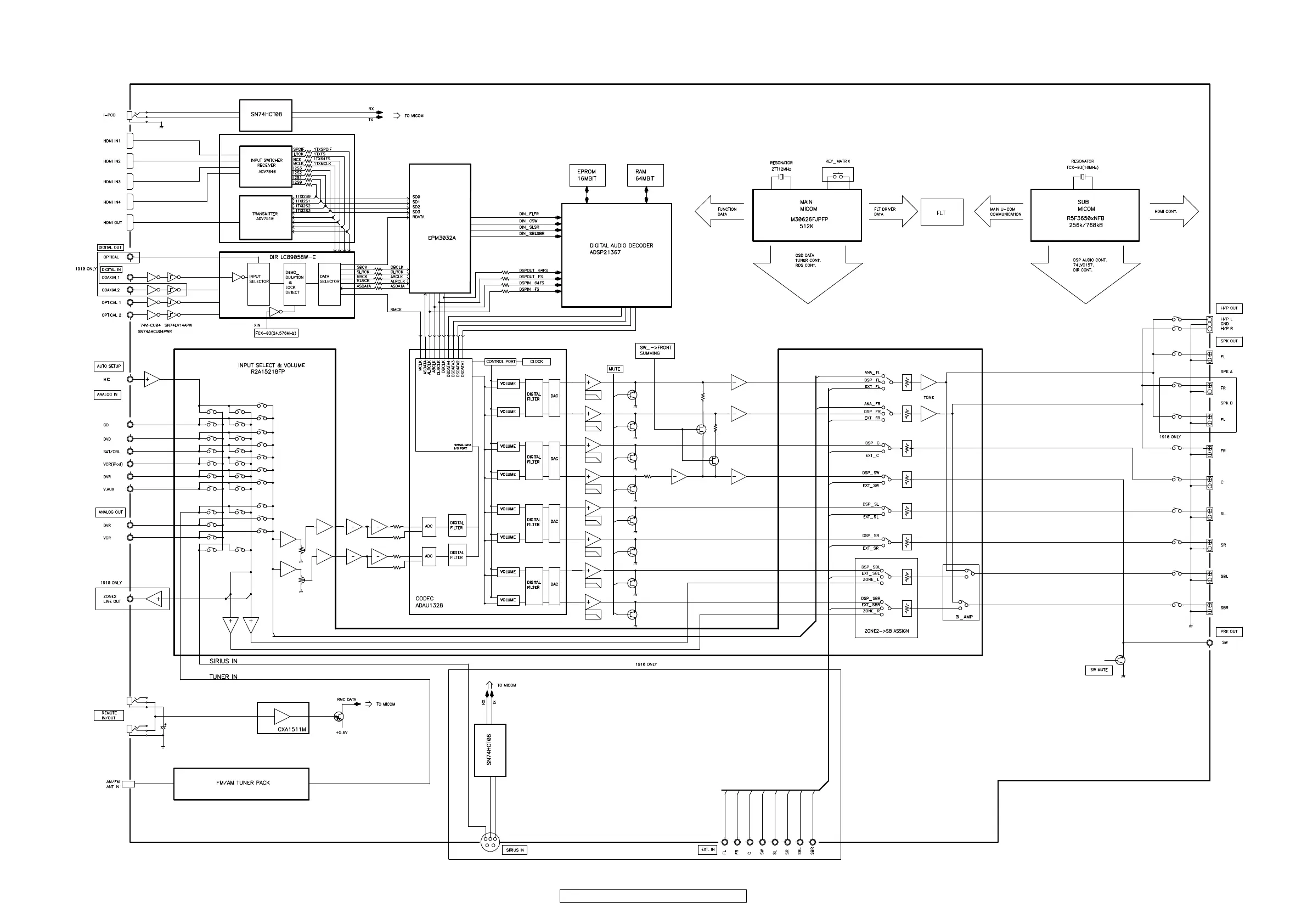
AVR-1910/1620/1610/790/590
BLOCK DIAGRAM
AUDIO BLOCK DIAGRAM

Table of Contents

Other manuals for Denon AVR-590

Related product manuals