EasyManua.ls Logo

Denon AVR-900

Denon AVR-900
50 pages
To Next Page IconTo Next Page
To Next Page IconTo Next Page
To Previous Page IconTo Previous Page
To Previous Page IconTo Previous Page
Loading...
mm”
AVR-SOO
SCHEMATIC
DIAGRAM
1
2
3
4
5
6
Lise
eGo>
4
TA301.
TA303
2SA970
(BL)
x2
A324 A323
A333-A339
0.
22(1W)
x4
430
(NB)
430
(NB)
2asose7A(c)
J
44.
5V
TAB19
c309
CK100P
R309
CN7A
TO
GNO{C)
Ky)
$
esca27e8lE/F)
i
1U-28e9
Ficn
(2st
3
A341
A34
-2
GNO
oO
5
20K
x
votuMeE
FRcn
(ee
7
UNIT
GNO
io
n
CENTER
(OF*
es
REAR
(QR
.)
Cc
To
cao.
012
C471
ee,
y}
©)
sbOoG
,
TP-L
TA3e1
o
Nt
wa
|
oy
2541633
(E/F)
El
4
2.
2K
(NB)
Xe
ny
|
TR309.
TA311
x3
caps
?-
3
TA307
2asc1a41(E/F)
FS
B
TA302.
TR304
pge2e
Basa
220P
(S00v)
o
fs
2Sa970(BL)
x2
ao.
FR
so
}s
4
oF
caer
130(NB)
4
gy
«=
ABB4-AB4O0
0.
22
AW)
X4
3 a
:
or
26
a”
“1s
c316
TAS316
TR320
A474
ay
oy?
CQ0.
001
2SD667A
2804278
(E/F)
200
0302.
0304
12K
oo
8
Beet
1ssese
x2
c306
Cr”
a
c302
ee)
9
A342
AB44
cxeaor
|
Hal
:
20K
x2
CH
oe
TA304
-
R332
220
(NB)
401 101
rrp
Eg
o
8
faa
rs)
L
7%)
A340
-
2
>
CN6ES
FLi4
Ky
a}
4U-2867—-41
GND-1
@)
=
2K
(NB
IX2
:
2SA1633(E/F)
ee
ae
See
espe
UNIT
CENTER-
st]
TA401.
TRAO3
0407.
0409
220P
(S00Vv)
REAR_
1
Ke]
254970
(BL
2
44.
5V
A4it4
R4i2
182471T-77
xe
éNee
eal
+12V
oa6e
430(NB)
130(N8)
R433-A439
0.
22(4W)
x4
yt
To
REAR
1
er
w
30P
:
C
ee
TR415
TA419
1u-2e89-2
CENTER-1
@F—~|
wu
CGo.001
2SD667A)
28c4278(E/F)
VOLUME
GNo-1
(QE
a
TR405
:
ay
phere
a)
2saces(E/F)
a
2SC
GNO_4
oO
[cag
|
ie)
=
Raz.
maze
FL-4
Ke)
Ny
i
CcK220
9
,
oc
20K
=
he
os
ae:
A404
o
x
CNGA
$100
z
|
To
Tu-pen
[@)
Oa
CGO.
O12
Ss
c
DY]
Gezcoe-
Tee
[S
TUNER
TU-Lcn
fo)
|
|
|
4
-
3
R413
A410
9.
1K
ne,
Yes
@
|
220/25|
—44.
5V
SBA1633(E/F)
ee
SUNS
TR407.
TR409.
TA411
c4e5
280
1841(E/F
)x3
220P
(500v)
CN13A
i
TO
TU-Lcn
OD
1U-2867-1
TU-GNO
O—J
INPUT&
TU.Ren
(OF
SURROUND
PHONO
GND
{@)
-12V
Ks)
FUNC—DATA
ia}-—__|
Ql
5V
FUNC-STB
>
ee
I
a,
a
Gy}
|
a
E
FUNC-CK
(@)
a
ms
a
i
CNT-E
G
CNT-A
kat]
CNT-8
a
TO
vA-DATA
Kay
4U-2889—2
VA-STB
K++]
VOLUME
=
VA=CK
UNIT
-12V
oJ
42V
VOL—DOWN
Ka
vee
a
=
ne
ae
ae
D.
GNO
eo
F
CN78
TO
st/mono
Ki)
1U-2889-1
STEREO
kt
TUNER
TUNED
i}
UNIT
PLL-STB
t+—J
By
PLL-DATA
t+
PLL-CK
tJ
if
Ti
a
="
TT
(({faatannntansnances
PML
nit
OOGSSGSSGSSSGGGIOOOOOOOOD—
HOO00O0EG
OOOO
DQOCQOOOOOG
(6)
w
<
g
a
4
b
Zh
@
Fr
«
4
qe
lO
«
>
Q
<
G
5a
Fo
OEMS
OG
By
5
ses
yGeasayee
s92G
B42
<yg
f£5aca
Gi
|
WwOMOrFQ
wW
300
ofaliltaoag
1O>>
qirwoaocag
fe
HOPS
a
TrTaaairi
aomfariiaag
ep
¥otiteegeg
gui
iaess
FaRQ
Qaaxxxace
cnas
FESEOag
aT
$,¥8a0d6
8555
P4544
See
588?
aqgquww>s>>
arztaaaass
pont
>S>GSssa
niti
m@iti@rona
Foe
TO
CN10A
CNS8
1U-2883-3
CN25A
TO
1U-28683-1
VIDEO
UNIT
TO
1U-2667~14
TO
1U-2883~-1
FLO
UNIT
INPUT
&SURROUND
FLD
UNIT
UNIT
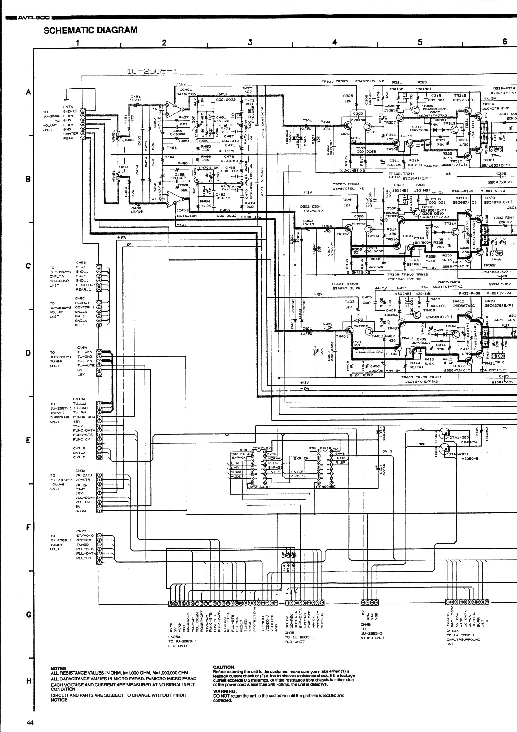
NOTES
CAUTION:
ALL
RESISTANCE
VALUES
IN
OHM.
k=1,000
OHM,
M=1,000,000
OHM
aa
retuming
Leds
ie
re
Eapgeglea
make
sure
you
inci
irri
(i)a
leakage
current
or
(2).a
line
to
chassis
resistance:ch
e
leakage
H
ALL
CAPACITANCE
VALUES
IN
MICRO
FARAD.
P=MICRO-MICRO
FARAD
current
exceeds
0.5
milliamps,
or
if
the
resistance
from
chassis
to
either
side
aioe
ia
AND
CURRENT
ARE
MEASURED
AT
NO
SIGNAL
INPUT
of
the
power
cord
is
less
than
240
kohms,
the
unit
is
defective.
3
WARNING:
CIRCUIT
AND
PARTS
ARE
SUBJECT
TO
CHANGE
WITHOUT
PRIOR
DO
NOT
retum
the
unit
to
the
customer
until
the
problem
is
located
and
NOTICE.
corrected.

Related product manuals