EasyManua.ls Logo

Denon AVR-X3200W

Denon AVR-X3200W
211 pages
To Next Page IconTo Next Page
To Next Page IconTo Next Page
To Previous Page IconTo Previous Page
To Previous Page IconTo Previous Page
Loading...
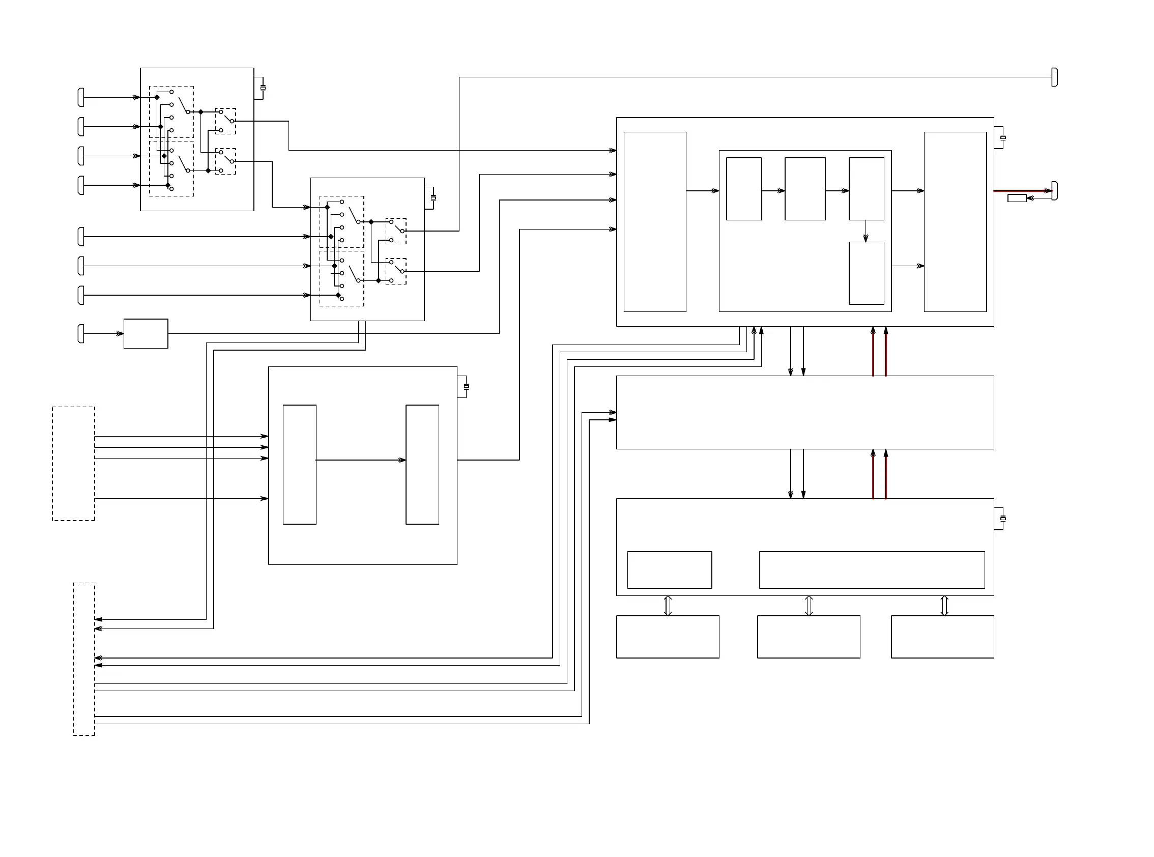
fig.07
HDMI OUT1
HDMI ZONE2
HDMI TX(MN864787)
DEC_Y_IN
DEC_PB_IN
DEC_PR_IN
DEC_CVBS_IN
VIDEO BLOCK
VIDEO PLD
AD55/058Z-0(ADV8003-8B)
DDR2 SDRAM
512M
DDR2 SDRAM
512M
S. FLASH
128M
MX25L12845EMI-10G
A3R12E40CBF-8E A3R12E40CBF-8E
P1 RX
P0 RX
P3 RX
P2 RX
VIDEO SIGNAL OUT
VIDEO INPUT
DIGITAL AUDIO BLOCK
ANALOG
HDMI Rx
Matrix SW
600MHz
HDMI Tx
Matrix SW
600MHz
600MHz
DDR2 INTERFACE
CONTROL
Video Processor(1080P, OSD, IP Conv,)
4K/2K
4K/2K
WITH TMDS
EPM570F256C4N
Z2HDMISPDIF
RXI2S0~3(DSD1~4), RXSPDIF(DSD0)
870PCK
870VD0~7
870PCK
870VD0~7
TXI2S0
TXBCK, TXLRCK
TXI2S0
TXBCK, TXLRCK
RXMCK(DSDMCK), RXBCK(DSDSCK), RXLRCK(DSD5), RXINT0
B0~B7/G0~G7/R0~R7
PCK/HSYNC/VSYNC/DE
B0~B7/G0~G7/R0~R7
PCK/HSYNC/VSYNC/DE
B0~B7/G0~G7/R0~R7
PCK/HSYNC/VSYNC/DE
B0~B7/G0~G7/R0~R7
PCK/HSYNC/VSYNC/DE
Rxlink0 Txlink0
Txlink1
4K/2K
Up Scaler
RXI2S0~3(DSD1~4), RXSPDIF(DSD0)
RXMCK(DSDMCK), RXBCK(DSDSCK), RXLRCK(DSD5), RXINT0
Z2_HAINT
27.000MHz27.000MHz
SUB
MAIN
MAIN
SUB
HDMI IN1
H
DMI IN2
HDMI IN3
HDMI IN4
HDMI IN5
HDMI IN6
(CBL/SAT)
(DVD)
(BLU-RAY)
(GAME)
(AUX2)
HDMI IN7
(CD)
HDMI IN8
(AUX1)
AD8195
Buffer
HDMI SW2(MN864788)
P3 RX
P2 RX
P1 RX
P0 RX
P0 TX
P1 TX
P3 RX
P2 RX
P1 RX
P0 RX
P0 TX
P1 TX
ADV7850
HDMI SW1(MN864788)
(MEDIA Player)
105
119
27.000MHz
27.000MHz
27.000MHz
AVR-X3200W HDMI VIDEO BLOCK
38

Table of Contents

Other manuals for Denon AVR-X3200W

Related product manuals