EasyManua.ls Logo

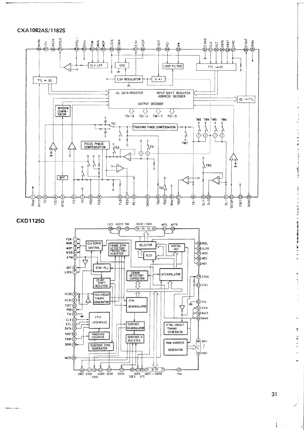
Denon DCD-3520 - CXD1125 Q IC Pinout and Block Diagram

Denon DCD-3520
51 pages
Print Icon
To Next Page IconTo Next Page
To Next Page IconTo Next Page
To Previous Page IconTo Previous Page
To Previous Page IconTo Previous Page
Loading...
CXA1082AS/1182S
x
3
tgs
“x
¢
Ww
i
S
eo
eo
ag
Ps
3
§
62223
§
8
a8
a
Ry
$32882
328
hag
ieee
53)
igi
9-2?
LOOP
FILTER
;
Thea
|
PE
SLEV
REGULATOR
frye)
Vow
Joona
oon
rescore
eres
nee
ann
|
I2L
DATA
REGISTER
INPUT SHIFT
REGISTER
ADDRESS
DECODER
OUTPUT
DECODER
FSi-4
=
TGI-2
TMi-7
PSi-3
RACKING
PHASE
COMPENSATION
i
FOCUS
PHASE
Aa
COMPENSATION
.
Eicfee
es
eeset
Veeue
ted
oe
tee
:
7
&
'
)-2)43)
4-5)
(8)—@)
(0)—(1!)
@)—_4){5)
4
22)
€4)
:
oo
#
2 8
w
SF
8 8
318
wh
5
8S
8&8
t
+93
58
&
7
ay
Foe
rare
mck
&
&
fF
F
Be
peas
ana
a
eg
.
t
i
CXD11250
e
LRCk
WOCK
Yoo
=
OAIG~
DAO!
APTL
APTR
CLV
SERVO
;
FRAME
SYNC
CONTROL
DETECTOR/
v
PROTECTOR/
INSERTER
~
INTERPOLATOR
bd
REGISTER
VCO
CIRCUIT
TIMING
GENERATOR
OEMODULATOR
Y,
CPU
,
5
INTERFACE
SUBCODE
X'TAL
CIRCU
OEMODULATOR
TIMING
,
GENERATOR
E
TRACKING
COUNTER
SUBCODE
!
d
oo
RAM
ADORESS
=
GENERATOR
CRCF
EXCK
SUBQ
SCOR
SOCK
OOTX.
0B01
~
0808
Voo
$850
SQEX
GFS
31
LAR
ie
a

Related product manuals