EasyManua.ls Logo

Denon DVD-5000 - Exploded View of Loading Mechanism Section

Denon DVD-5000
64 pages
Print Icon
To Next Page IconTo Next Page
To Next Page IconTo Next Page
To Previous Page IconTo Previous Page
To Previous Page IconTo Previous Page
Loading...
me
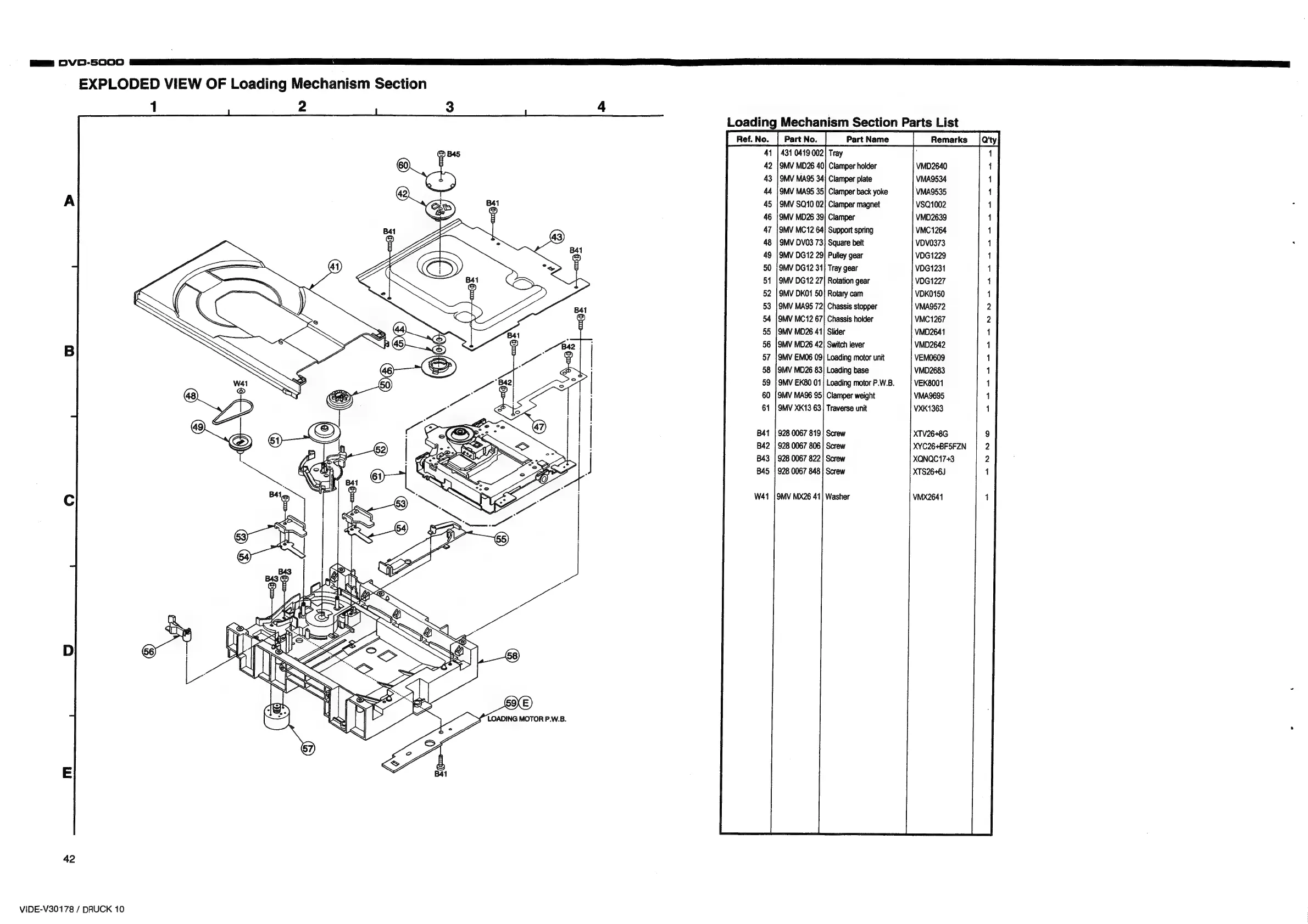
OVD-5000
EXPLODED
VIEW
OF
Loading
Mechanism
Section
1
2 3
4
Loading
Mechanism
Section
Parts
List
|
RefNo.
|
PartNo.
|
PartName
|
Remarks
_[aity|
4
431
0419
002
Tray
42
MV
MAQS
34]
Clamper
plate
9MV
MAQ5
35]
Clamper
back
yoke
9MV
SQ10
02)
Clamper
magnet
XYC26+BF5FZN
XQNQC17+3
XTS26+6J
QMV
MX26
41]
Washer
VMX2641
42
VIDE-V30178
/
DRUCK
10