EasyManua.ls Logo

Denso CRS - Page 25

Denso CRS
134 pages
Print Icon
To Next Page IconTo Next Page
To Next Page IconTo Next Page
To Previous Page IconTo Previous Page
To Previous Page IconTo Previous Page
Loading...
Operation Section
1
20
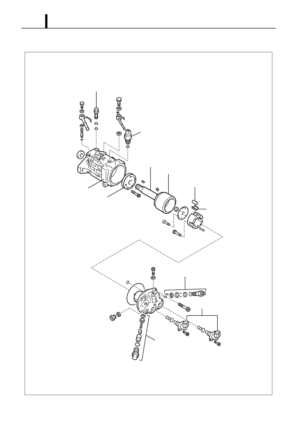
(3) Exploded View
Pump Body
Feed Pump
Camshaft
Inner Cam
Roller
Shoe
Delivery Valve
SCV (Suction Control Valve)
Check Valve
Fuel Temperature Sensor
Regulating Valve
Q000820E

Table of Contents

Related product manuals