EasyManua.ls Logo

Denso CRS - Page 44

Denso CRS
134 pages
Print Icon
To Next Page IconTo Next Page
To Next Page IconTo Next Page
To Previous Page IconTo Previous Page
To Previous Page IconTo Previous Page
Loading...
Operation Section
1
39
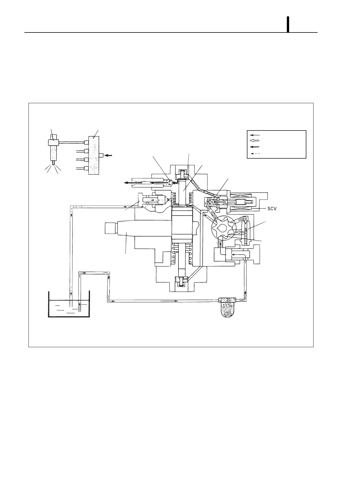
(4) Supply Pump Operation
Supply Pump Overall Fuel Flow
The fuel is suctioned by the feed pump from the fuel tank and sent to the SCV. At this time, the regulating valve adjusts
the fuel pressure to below a certain level. The fuel sent from the feed pump has the required discharge quantity ad-
justed by the SCV, and enters the pump unit through the suction valve. The fuel pumped by the pump unit is pumped
through the delivery valve to the rail.
Filter
From Pump
To Rail
Q000849E
Inject
Rail
Discharge Valve
Suction Valve
Plunger
Return Spring
Return
Combustion Overflow
Camshaft
Fuel Tank
Fuel Filter
(With Priming Pump)
Suction
Fuel Intake Port
Feed Pump
Regulating Valve
Suction Pressure
Feed Pressure
High Pressure
Return Pressure

Table of Contents

Related product manuals