EasyManua.ls Logo

DeVilbiss DeVO/MC44-90 - Dealer Warranty

DeVilbiss DeVO/MC44-90
43 pages
Print Icon
To Next Page IconTo Next Page
To Next Page IconTo Next Page
To Previous Page IconTo Previous Page
To Previous Page IconTo Previous Page
Loading...
SSINUVH
YIMO1
N
Lo
SS3NdVH
djddn
NVI
1
y
/
L
ILIHA
|
|
NN
I
|
ALIHM
i
E
SS
A
a
32078
I
|
NN
|
|
32078
E
i
//
a
1
12078
I
I
NN
I
I
32078
>
AC
assvamva
jf
<
ANO
|
|
NN
1
|
AVWY
NN
L
L
Sf
s
a
^
NMOUS
|
I
dI
|
A.SSV
N
11
221
wad
пон
SSV
3AIVA
>
NMOUS
|
|
NI
1
39804
M
y
/
MOTA
|
1
NN
|
|
I s
Y.
3LIHA
N
7
t
)
S-Ld
>
vid
Fam
>
ΤΙ
A.SSV
ca
diNOD
gy
NMOYa
υ-ζά
[>
NY
1310IA
ヒーー
ーー
TY
|
PAST
ttd
T
YOLIDVAV)
Gi
ピー
|
HILIMS
td
b-bd
1IHA
Eid
auvos
MOVIE
1Od1NOO
OHOIW
(35023)
TIALS
D31
M2018.
YOLDINNOD
TYNIWUIL
YIMOd
HS
^
ノン
>
AS
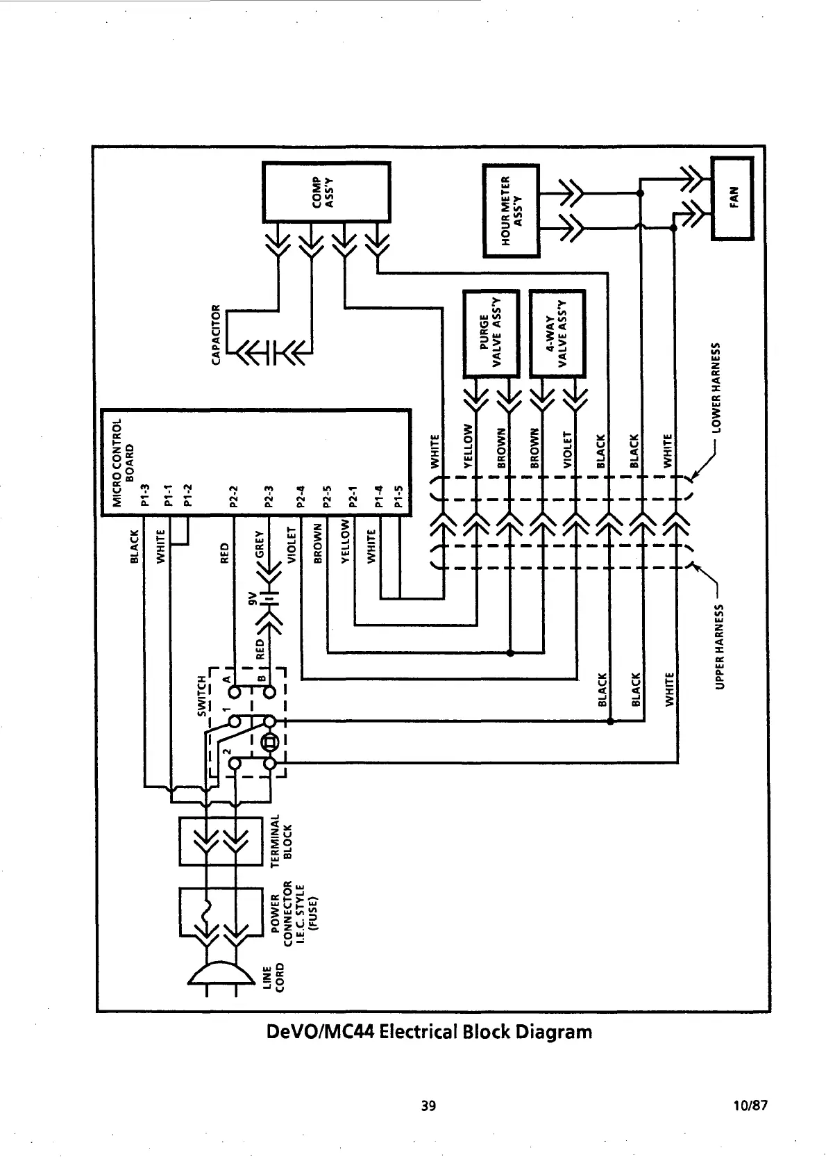
DeVO/MC44
Electrical
Block
Diagram
10/87
39

Related product manuals