EasyManua.ls Logo

DIGITALas DD-5100 - Page 16

DIGITALas DD-5100
40 pages
Print Icon
To Next Page IconTo Next Page
To Next Page IconTo Next Page
To Previous Page IconTo Previous Page
To Previous Page IconTo Previous Page
Loading...
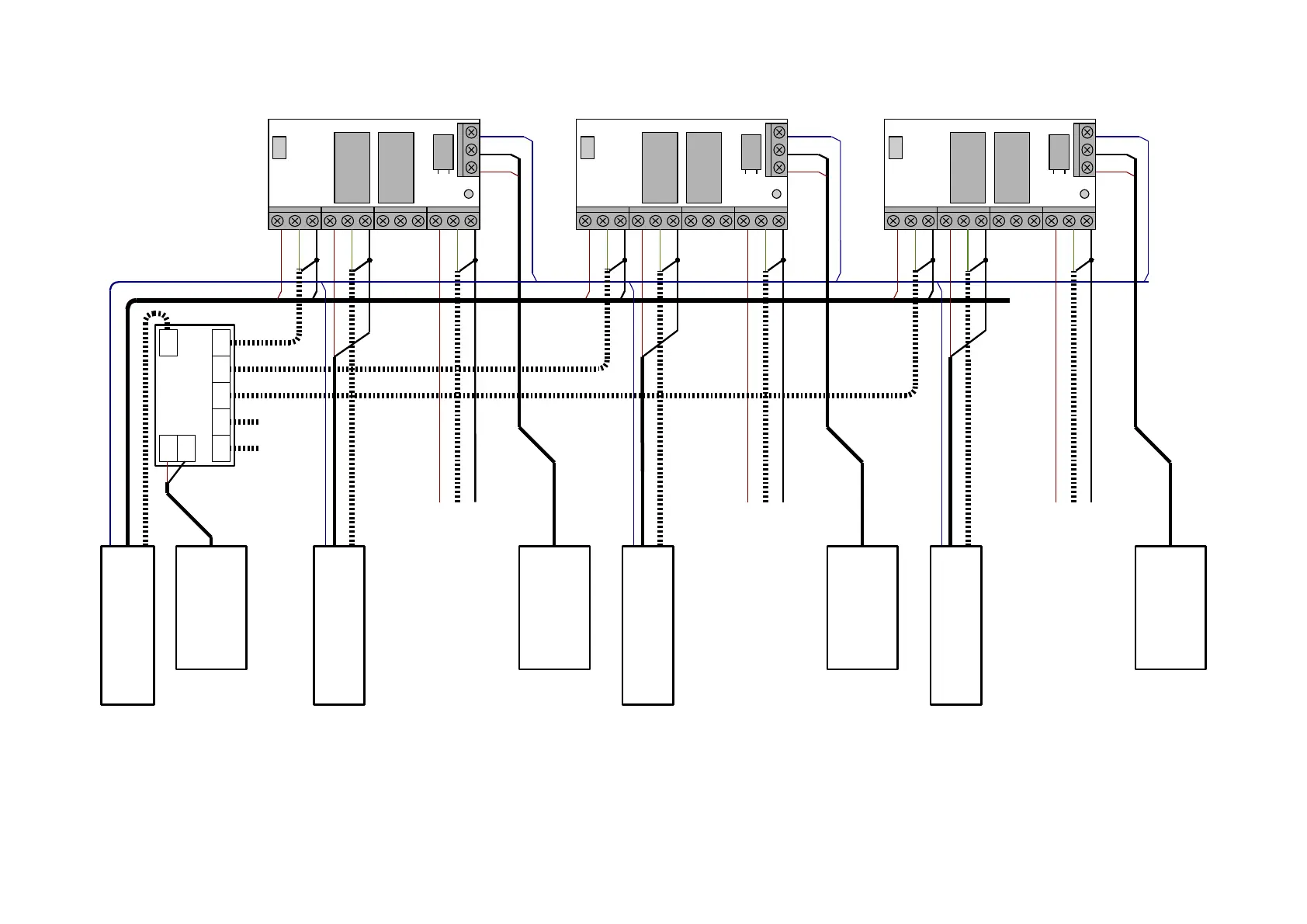
Fig. 10: Wiring diagram for one master and three slave DD-5100 call modules with video switching, NET configuration disabled
Audio / Video Line 2
DD-5100 – 1
DD-5100 – 2
DD-5100 – 3
Pover Supply
(12VDC 0,5A)
Pover Supply
(12VDC 0,5A)
LED1
BUS
L1
GND
GND
12V
L2
GND
L3
GND
LOUT
GND
DDSV1 – 1
C1
C2
C3
COUT
LED1
BUS
L1
GND
GND
12V
L2
GND
L3
GND
LOUT
GND
DDSV1 – 2
C1
C2
C3
COUT
LED1
L1
GND
L2
GND
L3
GND
LOUT
GND
C1
C2
C3
COUT
BUS
GND
12V
Pover Supply
(12VDC 0,5A)
Audio / Video Line 1
DDSV1 – 3
Vaizdo daliklis
VD-1x5
VIN
VO5VO1 VO2 VO3 VO4
12V
GND
DD-5100 – 4
Audio / Video Line 3
Pover Supply
(12VDC 0,3A)

Table of Contents