EasyManua.ls Logo

DIMOEL NewROTOR - Page 84

DIMOEL NewROTOR
Print Icon
To Next Page IconTo Next Page
To Next Page IconTo Next Page
To Previous Page IconTo Previous Page
To Previous Page IconTo Previous Page
Loading...
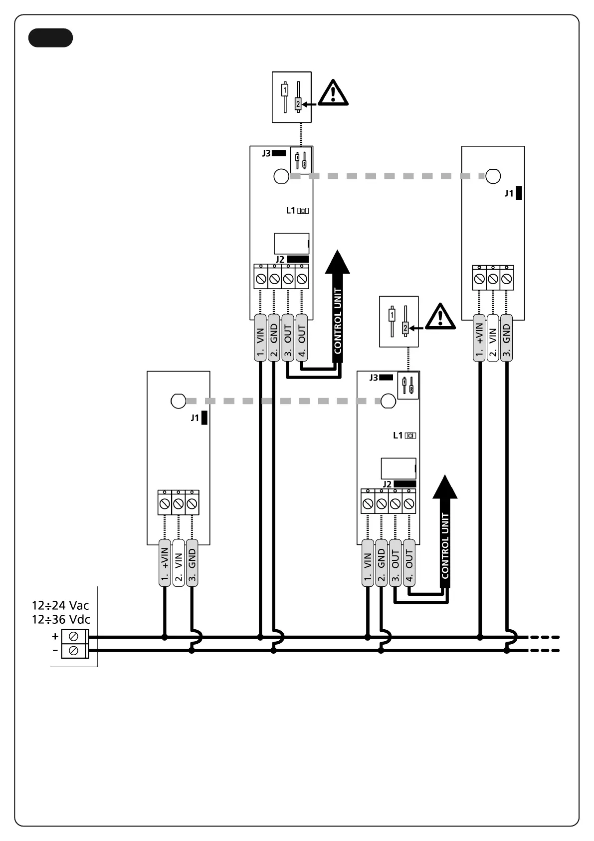
Fig. 5
NO-SYNCHRO

Related product manuals