EasyManua.ls Logo

Dimplex SI 5MS - Last; Load; Charge

Dimplex SI 5MS
Print Icon
To Next Page IconTo Next Page
To Next Page IconTo Next Page
To Previous Page IconTo Previous Page
To Previous Page IconTo Previous Page
Loading...
www.dimplex.de A-IX
Anhang · Appendix · Annexes
3.2
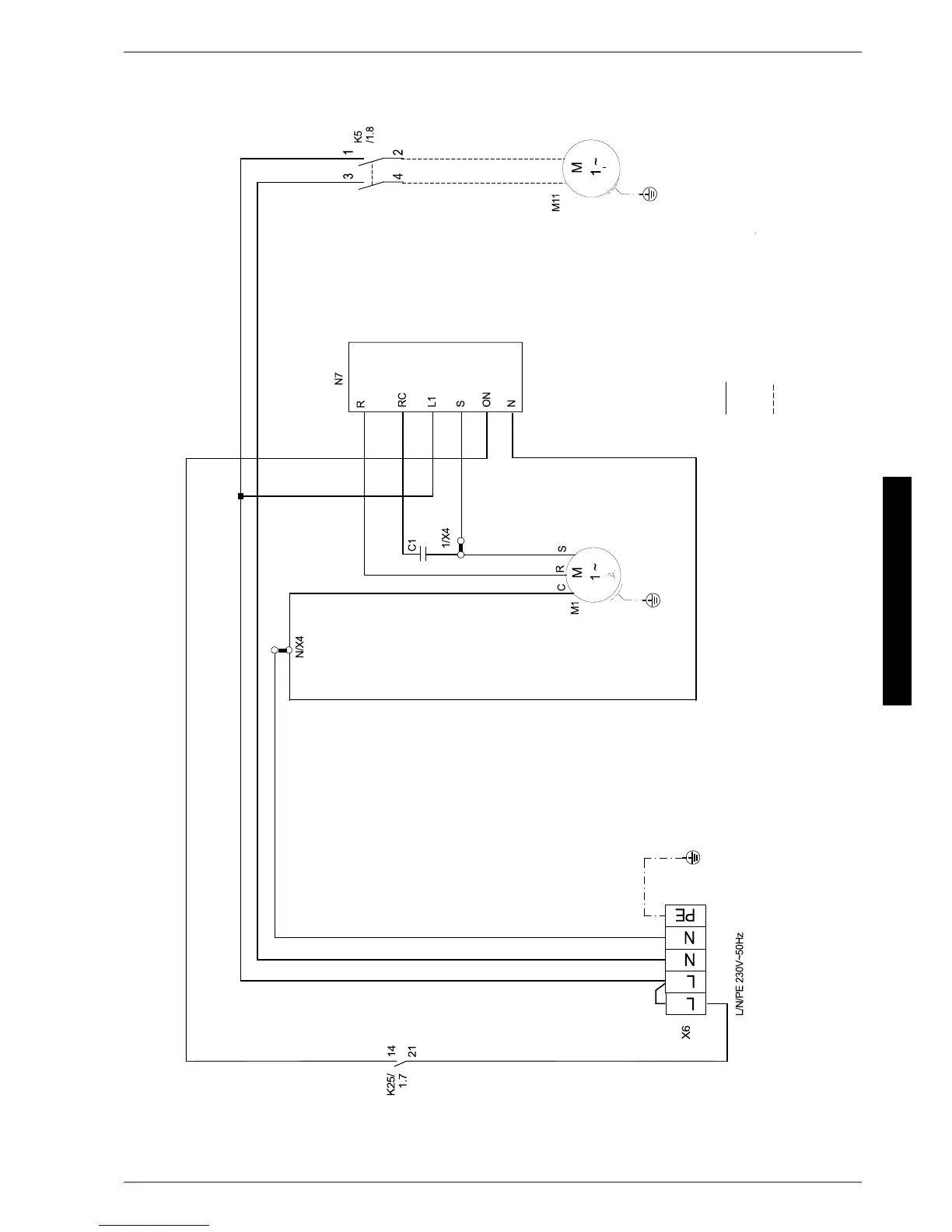
3.2 Last / Load / Charge
:HUNVVHLWLJYHUGUDKWHW
:LUHGIRUXVH
&kEOpHQXVLQH
%DXVHLWVEHL%HGDUIDQ]XVFKOLHHQ
0XVWEHVXSSOLHGE\FXVWRPHUWREHFRQQHFWHGDVUHTXLUHG
$UDFFRUGHUVLEHVRLQHVWSDUOHSURSULpWDLUH

Table of Contents

Related product manuals