EasyManua.ls Logo

Dimplex SI 5MS - Hydraulisches Prinzipschema; Hydraulic Block Diagrams; Schéma Hydraulique; Darstellung; Schematic View; Représentation Schématique

Dimplex SI 5MS
Print Icon
To Next Page IconTo Next Page
To Next Page IconTo Next Page
To Previous Page IconTo Previous Page
To Previous Page IconTo Previous Page
Loading...
A-XII
Anhang · Appendix · Annexes
4
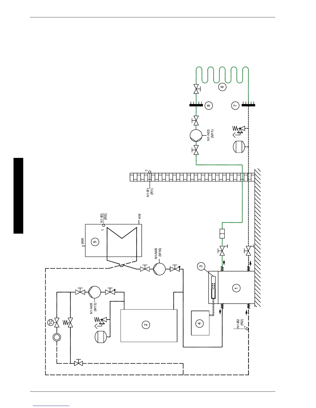
4 Hydraulisches Prinzipschema / Hydraulic block
diagrams / Schéma hydraulique
4.1 Darstellung / Schematic view / Représentation schématique

Table of Contents

Related product manuals