EasyManua.ls Logo

Dimplex SOLAR ST0133 - Dimplex Solar System Indirect - Overall View

Dimplex SOLAR ST0133
72 pages
Print Icon
To Next Page IconTo Next Page
To Next Page IconTo Next Page
To Previous Page IconTo Previous Page
To Previous Page IconTo Previous Page
Loading...
Technical manual
Page 66 of 72
ST0133 – A 02/09
SOLAR
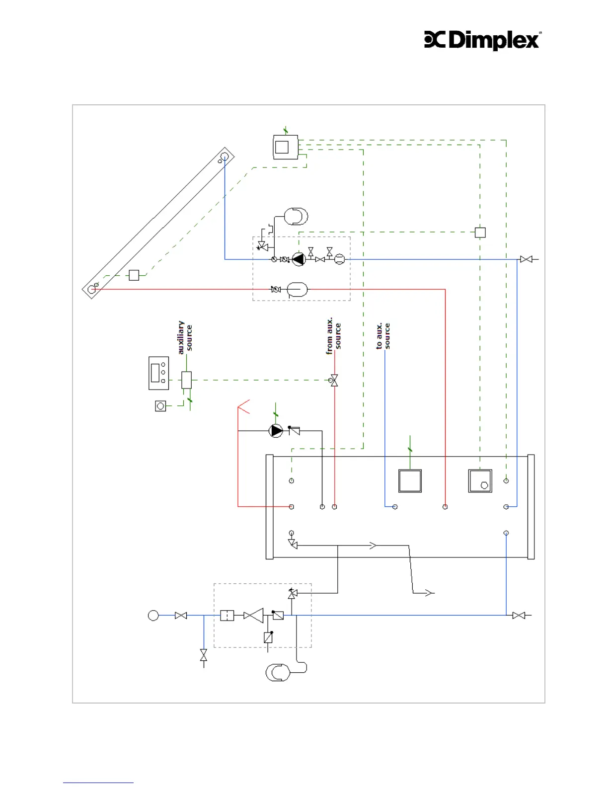
12.4 Dimplex solar system indirect – overall view

Table of Contents

Related product manuals