EasyManua.ls Logo

DINGLI JCPT0807HA - Page 106

DINGLI JCPT0807HA
117 pages
Print Icon
To Next Page IconTo Next Page
To Next Page IconTo Next Page
To Previous Page IconTo Previous Page
To Previous Page IconTo Previous Page
Loading...
OPERATOR’S MANUAL with Maintenance Information
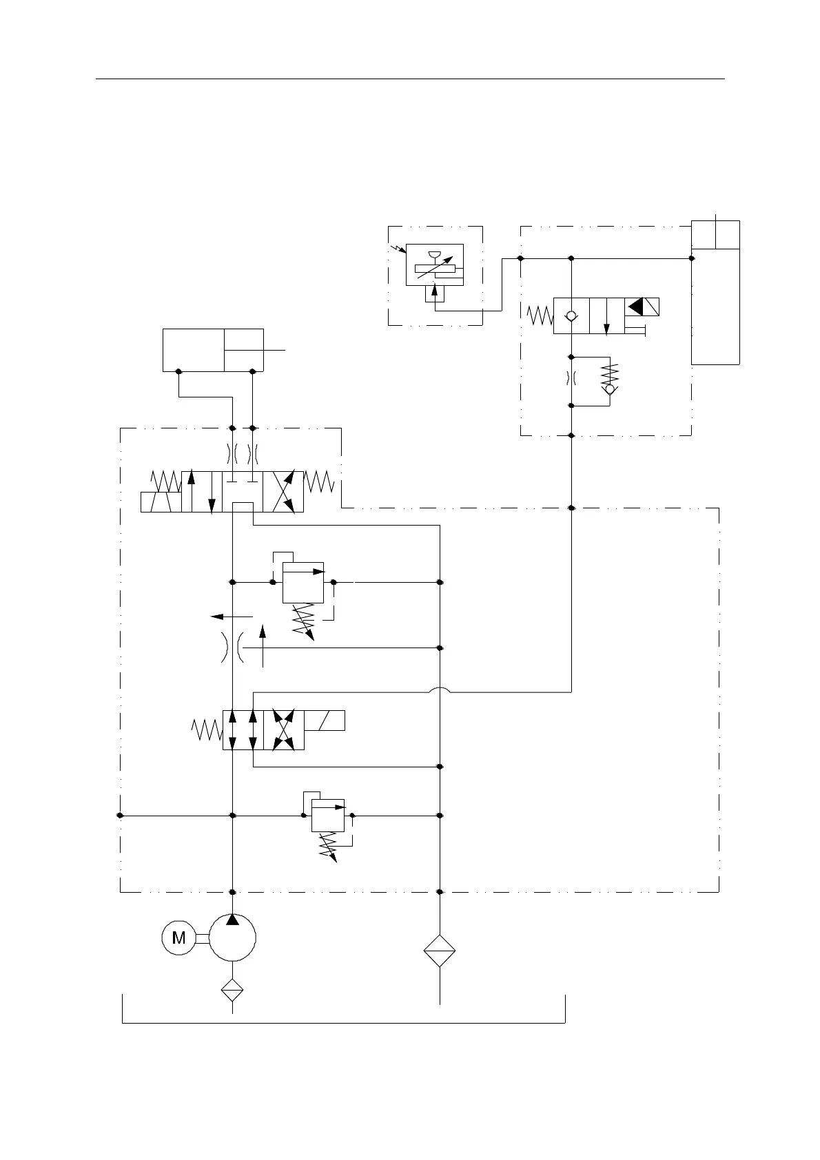
Schematic
101
Hydraulic Schematic
JCPT0807AC
IN
SV3
CV1
Pump
Tank
Filter
Function valve
Steer cylinder
Platform loading
(Option)
Lift
cylinder
Lower valve
Sensor
FR1
RV2
150bar
Filter
P
M
SV2
SV1
S1 S2
L
T
80bar
RV1

Table of Contents

Related product manuals