EasyManua.ls Logo

DNP CX-330 - User Mode Settings: Display Options

DNP CX-330
56 pages
Print Icon
To Next Page IconTo Next Page
To Next Page IconTo Next Page
To Previous Page IconTo Previous Page
To Previous Page IconTo Previous Page
Loading...
30
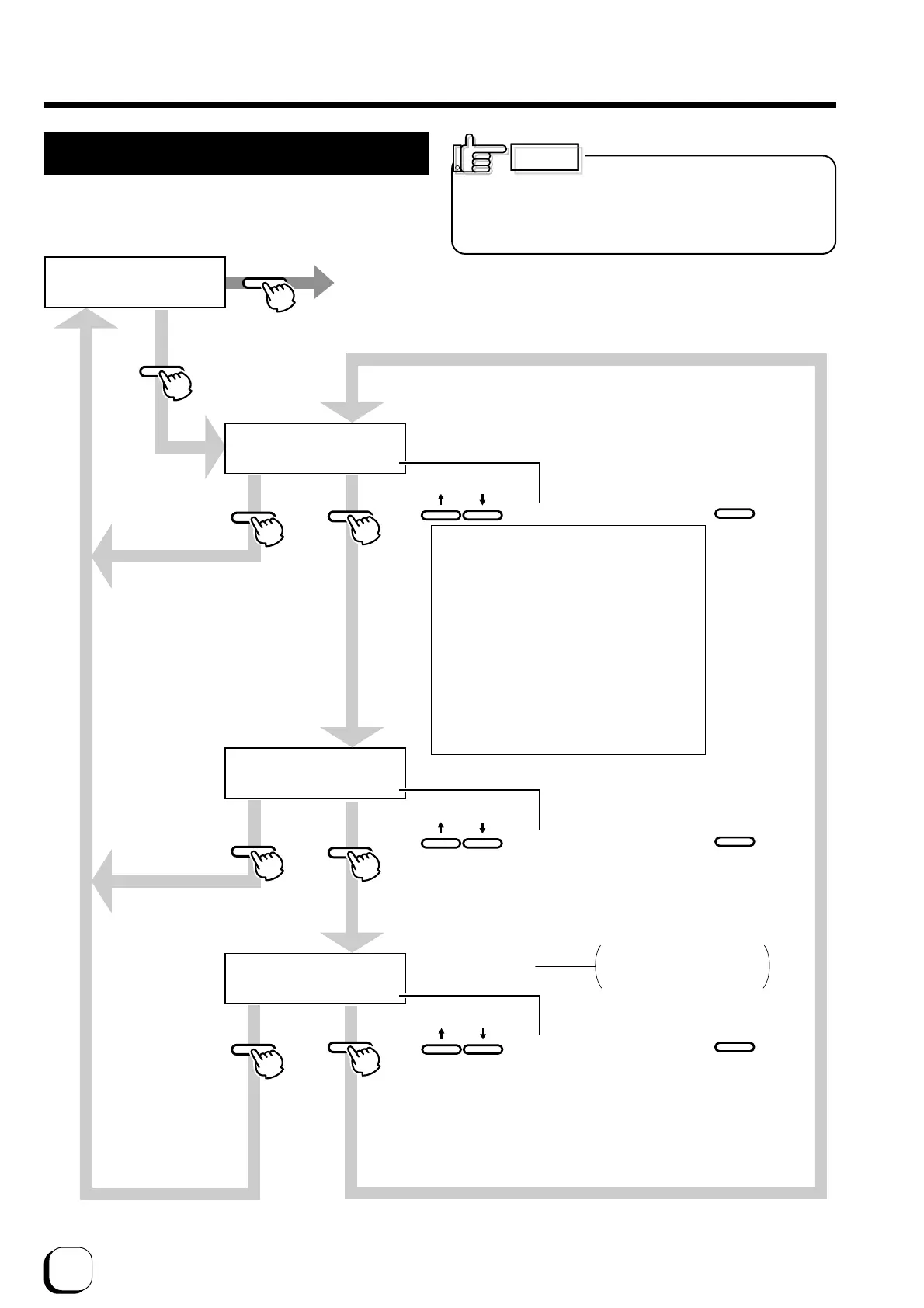
>Display>
>>Counter
>>Contrast
>>Back Color
Total
-2
BLUE
ENTER
ENTER
ENTER
MENU
MENU
MENU
EXIT
EXIT
EXIT
ENTER
EXIT
SKY BLUE, BLUE, LIGHT BLUE,
GREEN, BRIGHT GREEN,
YELLOW, PURPLE, PINK
Exit user
mode.
Counter select mode
4 options (Free, Head, Total ,Rollers)
Press to select the setting and press to save.
Counter selection
Total counter (Total)
Displays the number of cards in total which
have been printed correctly.
The total counter cannot be reset.
Head counter (Head)
Displays the number of printing colors in one
Head.
The head counter cannot be reset.
Free counter (Free)
This allows the user to clear the counter.
Displays the number of cards which have been
printed correctly.
Roller counter (Rollers)
Roller counter is reset with be cleaning this
roller
LCD panel contrast setting There are 7 gradations
(–3 to +3, the higher the value the stronger the contrast.)
LCD panel background
color settings:
8 options
Press to select the setting and press to save.
Press to select the setting and press to save.
(The electronic
beep sounds
.The beep will not
sound if the
buzzer mode
setting is set to
off.)
(The electronic beep sounds .The
beep will not sound if the buzzer
mode setting is set to off.)
(The electronic beep sounds .The
beep will not sound if the buzzer
mode setting is set to off.)
Operation (continued)
Display mode settings
The unit has the following three settings for the display
mode. Allows selection of which counter value is
displayed when the power is turned on.
CAUTION
The beep sounds when pressing the
Enter button to save the settings in the user setting mode.
The beep will not sound if the buzzer mode setting (see
p.34) is set to off.

Table of Contents

Related product manuals