EasyManua.ls Logo

DNP CX-330 - User Mode Settings: Retransfer Configuration; Retransfer Mode Settings

DNP CX-330
56 pages
Print Icon
To Next Page IconTo Next Page
To Next Page IconTo Next Page
To Previous Page IconTo Previous Page
To Previous Page IconTo Previous Page
Loading...
33
(to the next page)
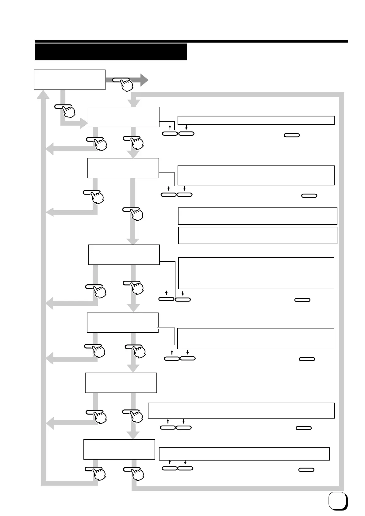
Retransfer mode setting
>Retransfer>
>>Temp.Level
>>Speed (Front)
0(Standard)
-2
ENTER
ENTER
ENTER
ENTER
MENU
MENU
MENU
EXIT
EXIT
EXIT
EXIT
ENTER
EXIT
MENU
EXIT
ENTER
>>Media Type
Std(1000/roll):0
>>Speed (Back)
-2
EXIT
>>Standby Mode
Front Wait
Set retransfer film Set film type
Two types of frame settings (1000 or 750 frames per film)
Set to adjust the retransfer film specification.
Press to select the setting and press to save.
Set the retransfer temperature.6 gradations can be set
(from –3 or +2, the larger the value the higher the temperature)
Retransfer may be not performed well depending on the
cards. Increase the temperature level step by step until the
card can be printed clearly.
Press to select the setting value and press
to save.
Set the retransfer speed: 13 gradations can be set
(from –10 to +2, the larger the value the faster the speed)
Partial incompletion may occur depending on the cards
during retransfer. The performance is increased as the
value is lowered. Specify the value mainly on the retransfer
roller temperature setting and use the speed setting for
fine adjustments.
Press to select the setting value and press to save.
Set the reverse retransfer speed:13 gradations can be set
(from –10 to +2, the higher the value the faster the speed.)
Double-sided printing results in a warp depending on the
cards. When this happens, set the speed to 1step faster from
the surface side.
Set the way of the peeling off the retransfer film
2 settings[On and Off]
Depending on the card used,peeling off the retransfer film may not be
complete.
For the cards with JIS magnetic stripes,setting "On" is recommended.
When setting "On",printing time will be longer by about1,5s
No improvement is expected for the cards with ISO magnetic stripes.
Laminate Standby selection:
2 settings[Front Wait and Back Wait]
In case of both side printing with lamination unit connected,
select either one of the card sides for standby.
Press to select the setting value and press to save.
Exit user
mode.
(The electronic beep sounds .The
beep will not sound if the buzzer mode setting is set to off.)
(The electronic beep sounds .The beep will
not sound if the buzzer mode setting is set to off.)
(The electronic beep sounds .The beep will not sound if the buzzer
mode setting is set to off.)
(The electronic beep sounds .The beep will not sound if the buzzer
mode setting is set to off.)
(The electronic beep sounds .The beep will not sound if the buzzer
mode setting is set to off.)
ENTER
Press to select the setting value and press to save.
(The electronic beep sounds .The beep will not sound if the buzzer
mode setting is set to off.)
MENU
Press to select the setting value and press to save.
Transferability to the cardimproves if the retransfer roller temperature
is higher.However,high heat will distort the card further
MENU
>>MG Print(JIS)
Off
If you are not initializing the unit after changing the temperature
settings, perform temperature control after printing has started.
Change settings according to the retransfer film and card used.

Table of Contents

Related product manuals